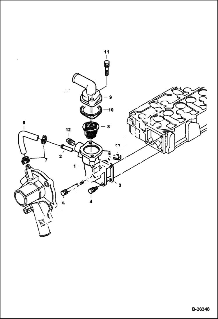
Запчасти Bobcat E25 WATER FLANGE & THERMOSTAT POWER UNIT

Схема запчастей Bobcat E25 - WATER FLANGE & THERMOSTAT POWER UNIT
FIT
1:1
100%

Артикул

Название

Примечание

Количество

1

6672482

FLANGE W/Ref. 2

2

6670785

PIPE

3

6657583

GASKET

4

1CM616

SCREW Was 4CM616 - A

5

6670770

BOLT

6

6657584

PIPE

7

6680580

CLAMP

8

6674172

THERMOSTAT

9

6691325

COVER

10

6684863

GASKET

11

1CM835

BOLT

12

6684857

PLUG

Выбрано товаров: 0