Качественные детали и логистика
Оригинальные и аналоговые запчасти с доставкой по России, Казахстану и Беларуси
©2022 PartSell ООО "Система" ИНН 2463123282 ОГРН 1212400004838
Центральный офис: г. Красноярск, Академика Киренского, д.87, пом.4
Телефон: 8 (800) 777-65-74 Email: zakaz@partsell.ru
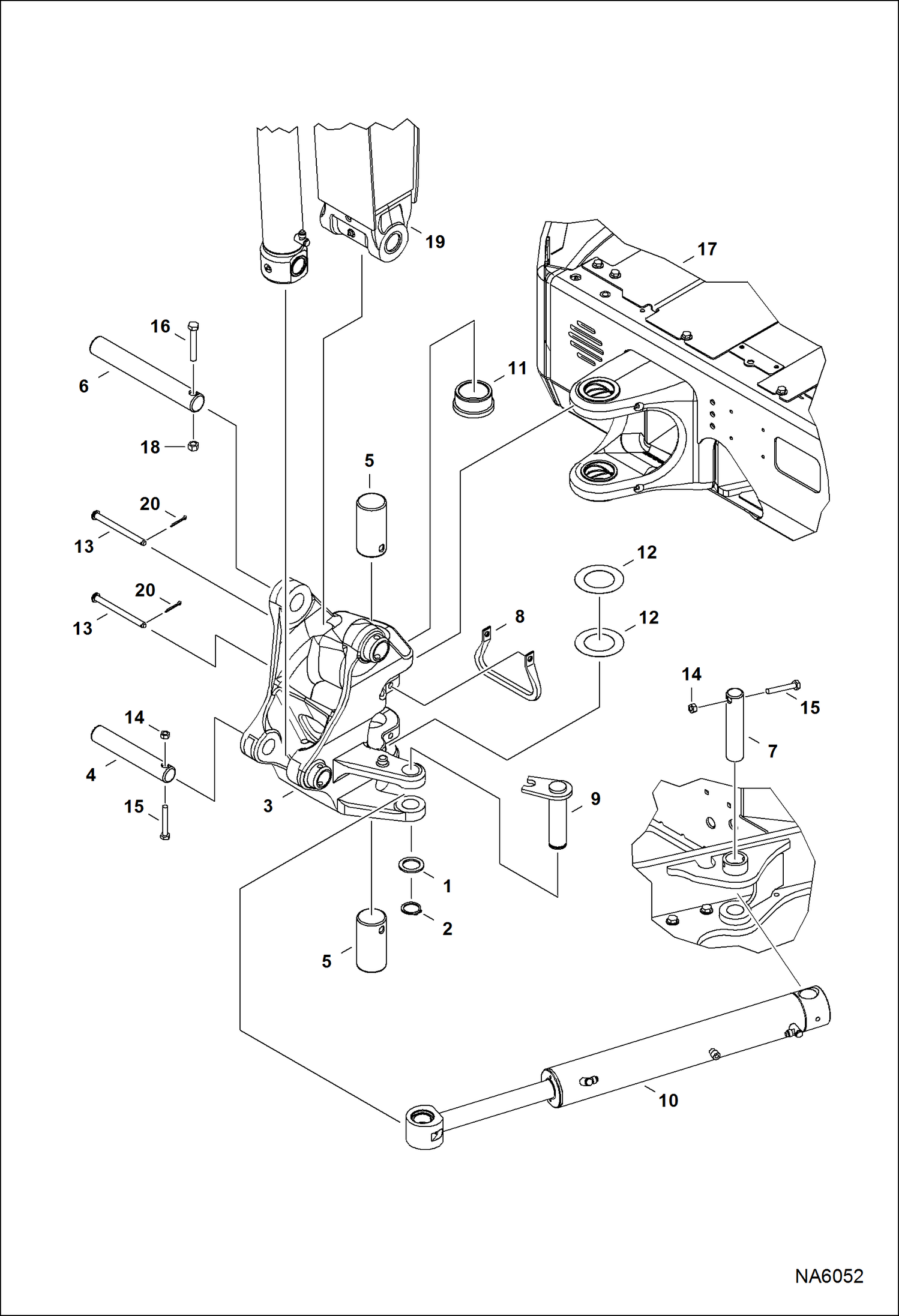
BOOM SWING FRAME
№
Артикул
Название
Примечание
Количество
1
6534111
WASHER
2
6534154
RING
3
7154369
FRAME, SWING
4
7157643
PIN, PIVOT
5
7157646
6
7157647
7
7159423
8
7166593
SUPPORT, BRACKET
9
7183443
10
CYLINDER, BOOM SWING See Illustration BOOM SWING CYLINDER/ NA6020
11
7192053
BUSHING, WEAR
12
7193164
SHIM
13
14JM12140
PIN, CLEVIS
14
4DM10
NUT
15
7CM1070
BOLT
16
7CM1280
17
UPPERSTRUCTURE See Illustration UPPERSTRUCTURE/ NA6026
18
4DM12
NUT HEX
19
BOOM See Illustration BOOM/ NA6050
20
13JM320
PIN
Выбрано товаров: 0