Качественные детали и логистика
Оригинальные и аналоговые запчасти с доставкой по России, Казахстану и Беларуси
©2022 PartSell ООО "Система" ИНН 2463123282 ОГРН 1212400004838
Центральный офис: г. Красноярск, Академика Киренского, д.87, пом.4
Телефон: 8 (800) 777-65-74 Email: zakaz@partsell.ru
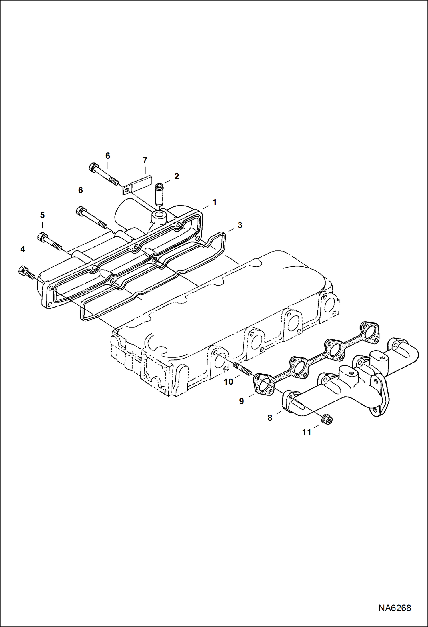
MANIFOLDS
№
Артикул
Название
Примечание
Количество
1
7023141
MANIFOLD, INTAKE W/Ref. 2 & 3
2
6680689
ADAPTER
3
6657493
GASKET
4
6652580
BOLT
5
4CM630
6
6670770
7
6969973
CLAMP, CORD
8
7023142
MANIFOLD, EXHAUST
9
6657494
10
6657590
STUD
11
6657591
NUT
Выбрано товаров: 0