Качественные детали и логистика
Оригинальные и аналоговые запчасти с доставкой по России, Казахстану и Беларуси
©2022 PartSell ООО "Система" ИНН 2463123282 ОГРН 1212400004838
Центральный офис: г. Красноярск, Академика Киренского, д.87, пом.4
Телефон: 8 (800) 777-65-74 Email: zakaz@partsell.ru
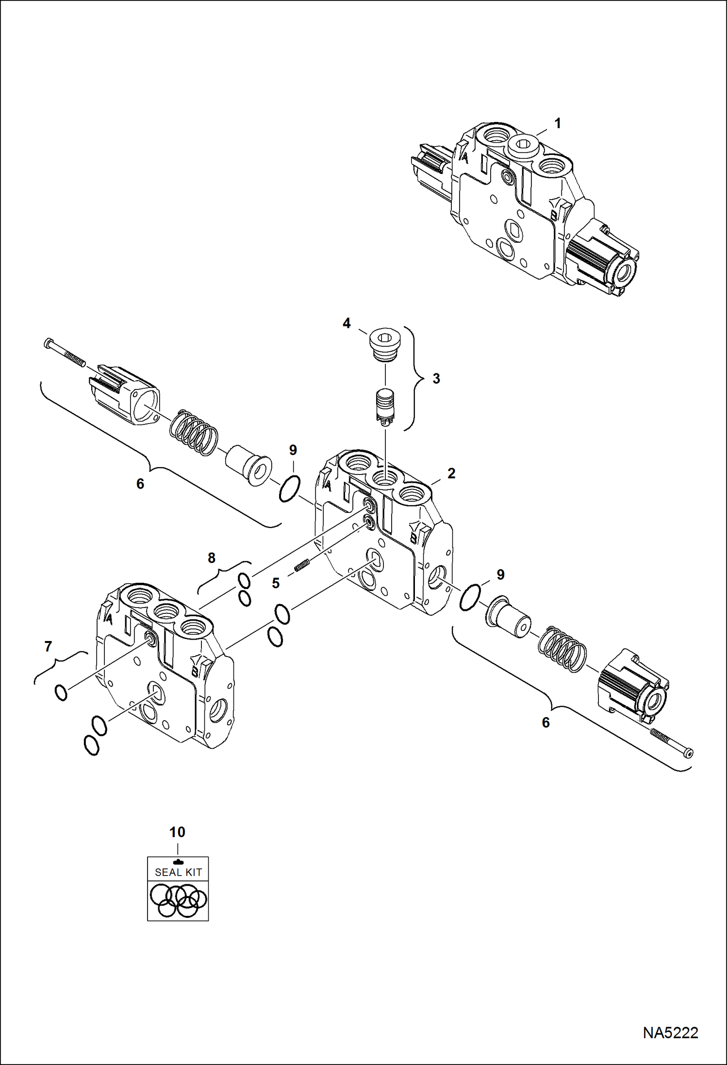
HYDRAULIC CONTROL VALVE (RightTravel Section)
№
Артикул
Название
Примечание
Количество
1
7016130
SECTION, VALVE Ref. 2-7, 9 & 10
2
HOUSING, VALVE NSS - Order Ref. 1
3
6677690
KIT, COMPENSATOR
4
6685248
PLUG
5
6677695
SCREW
6
6677699
ACTUATOR includes both sides
7
6677467
KIT, SEAL
8
6677472
KIT,SEAL not included with right travel section - Also Order if needed
9
O-RING NSS - Order Ref. 10
10
6677470
SEAL KIT Ref. 7 & 9
Выбрано товаров: 0