Качественные детали и логистика
Оригинальные и аналоговые запчасти с доставкой по России, Казахстану и Беларуси
©2022 PartSell ООО "Система" ИНН 2463123282 ОГРН 1212400004838
Центральный офис: г. Красноярск, Академика Киренского, д.87, пом.4
Телефон: 8 (800) 777-65-74 Email: zakaz@partsell.ru
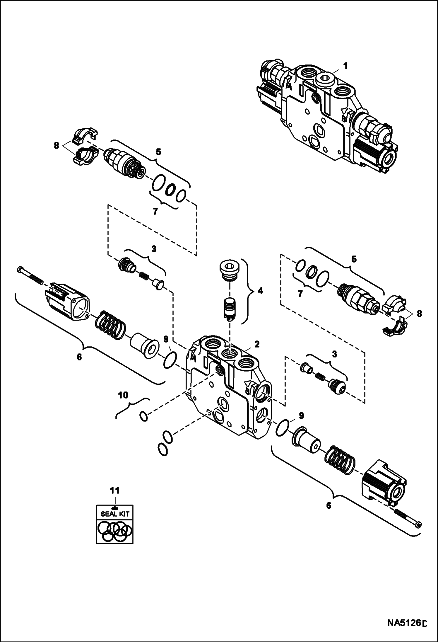
HYDRAULIC CONTROL VALVE (Angle Blade Section)
№
Артикул
Название
Примечание
Количество
1
7016131
SECTION, VALVE Ref. 2-11
2
HOUSING, VALVE NSS - Order Ref. 1
3
6677689
CHECK VALVE
4
6677690
KIT, COMPENSATOR
5
6685249
VALVE,RELIEF
6
6677699
ACTUATOR includes both sides
7
6910713
SEAL KIT
8
6687072
KIT
9
O-RING NSS - Order Ref. 11
10
6677467
KIT, SEAL
11
6677470
SEAL KIT Ref. 9 & 10
Выбрано товаров: 0