Запчасти Bobcat E55 HYDRAULIC CONTROL VALVE (Aux Section) HYDRAULIC SYSTEM

Схема запчастей Bobcat E55 - HYDRAULIC CONTROL VALVE (Aux Section) HYDRAULIC SYSTEM
FIT
1:1
100%

Артикул

Название

Примечание

Количество

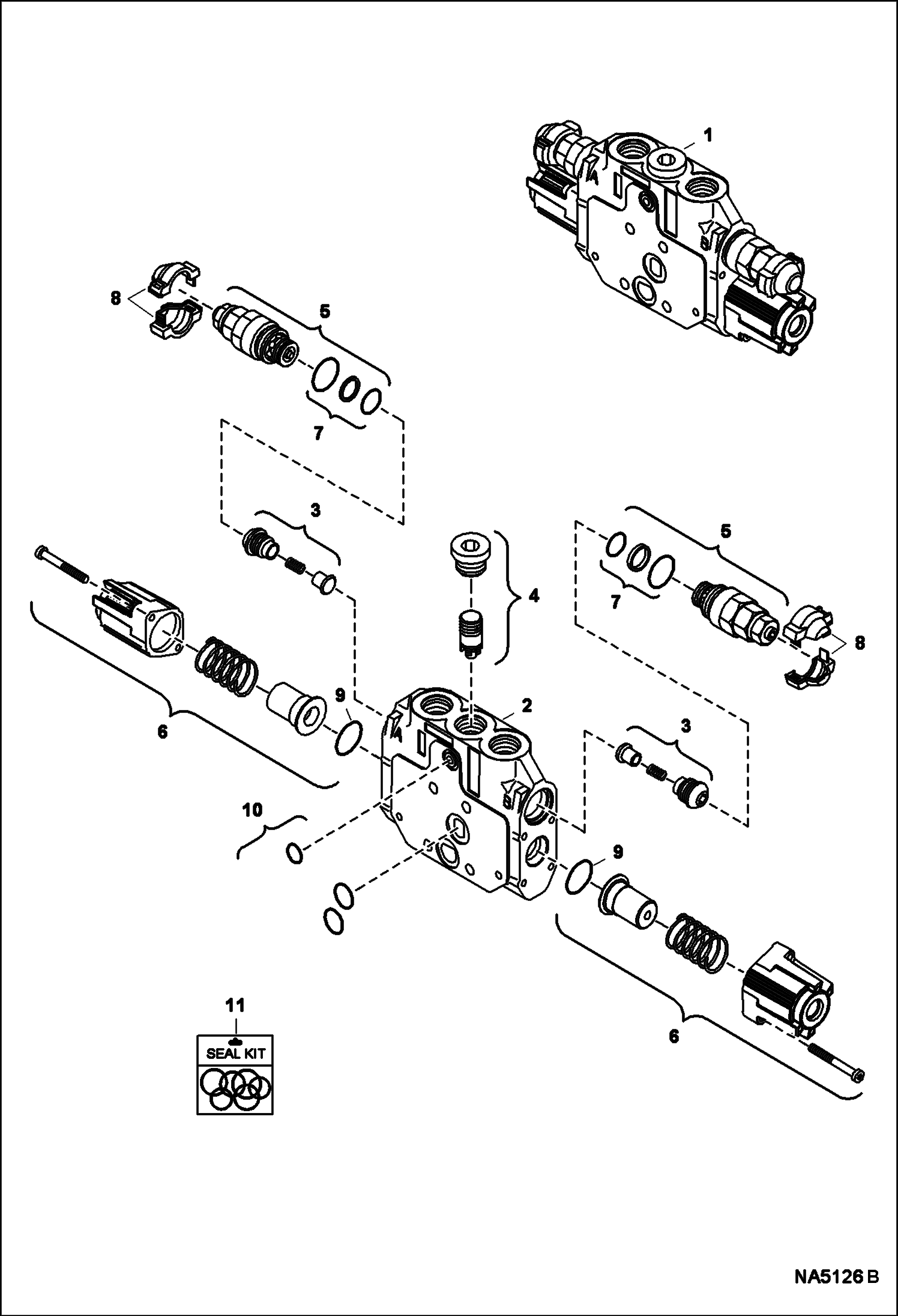
1

7016134

SECTION, VALVE Ref. 2-11

2

HOUSING, VALVE NSS - Order Ref. 1

3

6677689

CHECK VALVE

4

6677690

KIT, COMPENSATOR

5

6685249

VALVE,RELIEF

6

6677699

ACTUATOR includes both sides

7

6910713

SEAL KIT

8

6687072

KIT

9

O-RING NSS - Order Ref. 11

10

6677467

KIT, SEAL

11

6677470

SEAL KIT Ref. 9 & 10

Выбрано товаров: 11