Качественные детали и логистика
Оригинальные и аналоговые запчасти с доставкой по России, Казахстану и Беларуси
©2022 PartSell ООО "Система" ИНН 2463123282 ОГРН 1212400004838
Центральный офис: г. Красноярск, Академика Киренского, д.87, пом.4
Телефон: 8 (800) 777-65-74 Email: zakaz@partsell.ru
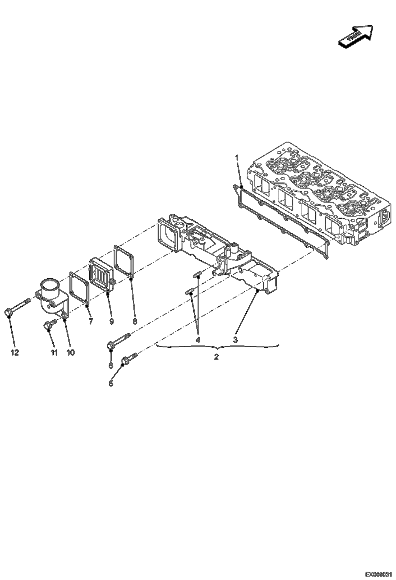
MANIFOLD (Intake)
№
Артикул
Название
Примечание
Количество
1
7005066
SEAL INTAKE MANIFOLD
2
7007109
MANIFOLD INTAKE ASSY W/Ref. 3-4
3
7007108
MANIFOLD INTAKE
4
7004336
BOLT STUD
5
7004080
BOLT PLATED M8X45
6
7004094
BOLT M8X80
7
7005110
GASKET
8
7005111
9
7005112
HEATER AIR
10
7007045
TUBELINE AIR HEATER
11
7004089
BOLT PLATED M8X40
12
7007052
BOLT
Выбрано товаров: 0