Качественные детали и логистика
Оригинальные и аналоговые запчасти с доставкой по России, Казахстану и Беларуси
©2022 PartSell ООО "Система" ИНН 2463123282 ОГРН 1212400004838
Центральный офис: г. Красноярск, Академика Киренского, д.87, пом.4
Телефон: 8 (800) 777-65-74 Email: zakaz@partsell.ru
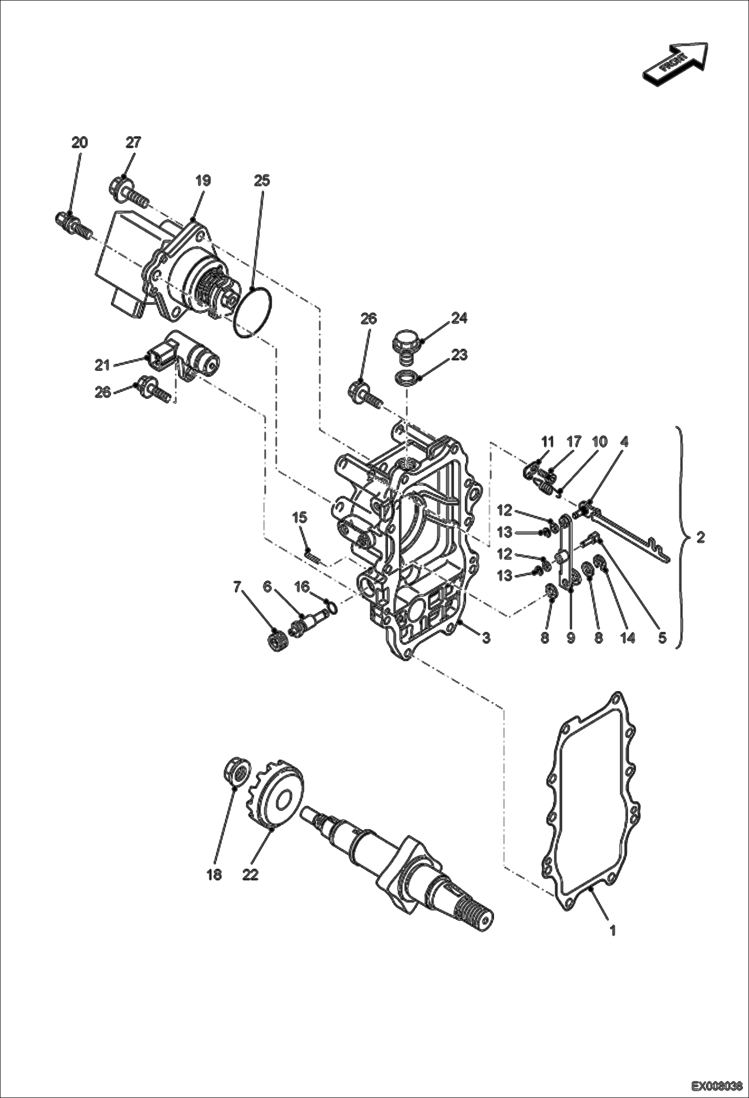
GOVERNOR
№
Артикул
Название
Примечание
Количество
1
7006844
SEAL HOUSING
2
7007137
GOVERNOR HOUSING ASSY W/Ref. 3-17
3
7007136
HOUSING GOVERNOR
4
7007138
LINK
5
7007144
PIN
6
7007168
SHAFT
7
7007169
BOLT
8
7007170
SPACER LEVER
9
7007139
LEVER GOVERNOR
10
7007171
SPRING
11
7007172
BRACKET
12
7004020
WASHER
13
7007177
CLIP CIRCLIP
14
7004183
15
7007178
16
7007182
ORING
17
7007189
BOLT M 5X10
18
7004149
NUT
19
7023334
ACTUATOR Was 7007140 - B
20
7007141
21
7007173
SENSOR
22
7007167
GEAR SENSOR
23
7007181
GASKET
24
PLUG NSS
25
7007183
26
7006845
BOLT M6X25 PLATED
27
7006923
BOLT M8X25
Выбрано товаров: 0