Качественные детали и логистика
Оригинальные и аналоговые запчасти с доставкой по России, Казахстану и Беларуси
©2022 PartSell ООО "Система" ИНН 2463123282 ОГРН 1212400004838
Центральный офис: г. Красноярск, Академика Киренского, д.87, пом.4
Телефон: 8 (800) 777-65-74 Email: zakaz@partsell.ru
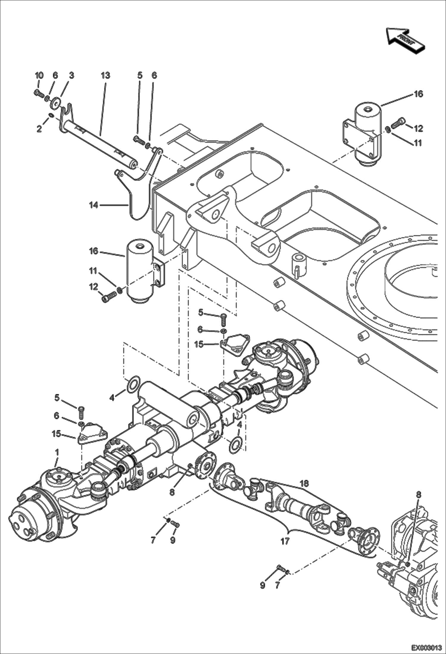
POWER TRAIN (Front)
№
Артикул
Название
Примечание
Количество
1
7004840
AXLE FRONT
2
6694227
FITTING, GREASE Was 7010246 - C
3
7005142
WASHER
4
7004486
SHIM
5
7007683
BOLT
6
7007836
WASHER SPRING M12
7
7007844
8
7004560
NUT
9
7005649
10
7007641
11
7007847
12
7007774
13
PIN Was 7005705 - A
7022883
PIN
14
7005703
COVER
15
7005715
PLATE STABILIZER
16
7005688
CYLINDER STABILIZER See Illustration STABILIZER CYLINDER/ EX006147
17
7005831
SHAFT PROPELLER FRONT W/Ref. 18
18
7007251
YOKE UNIVERSAL JOINT
Выбрано товаров: 0