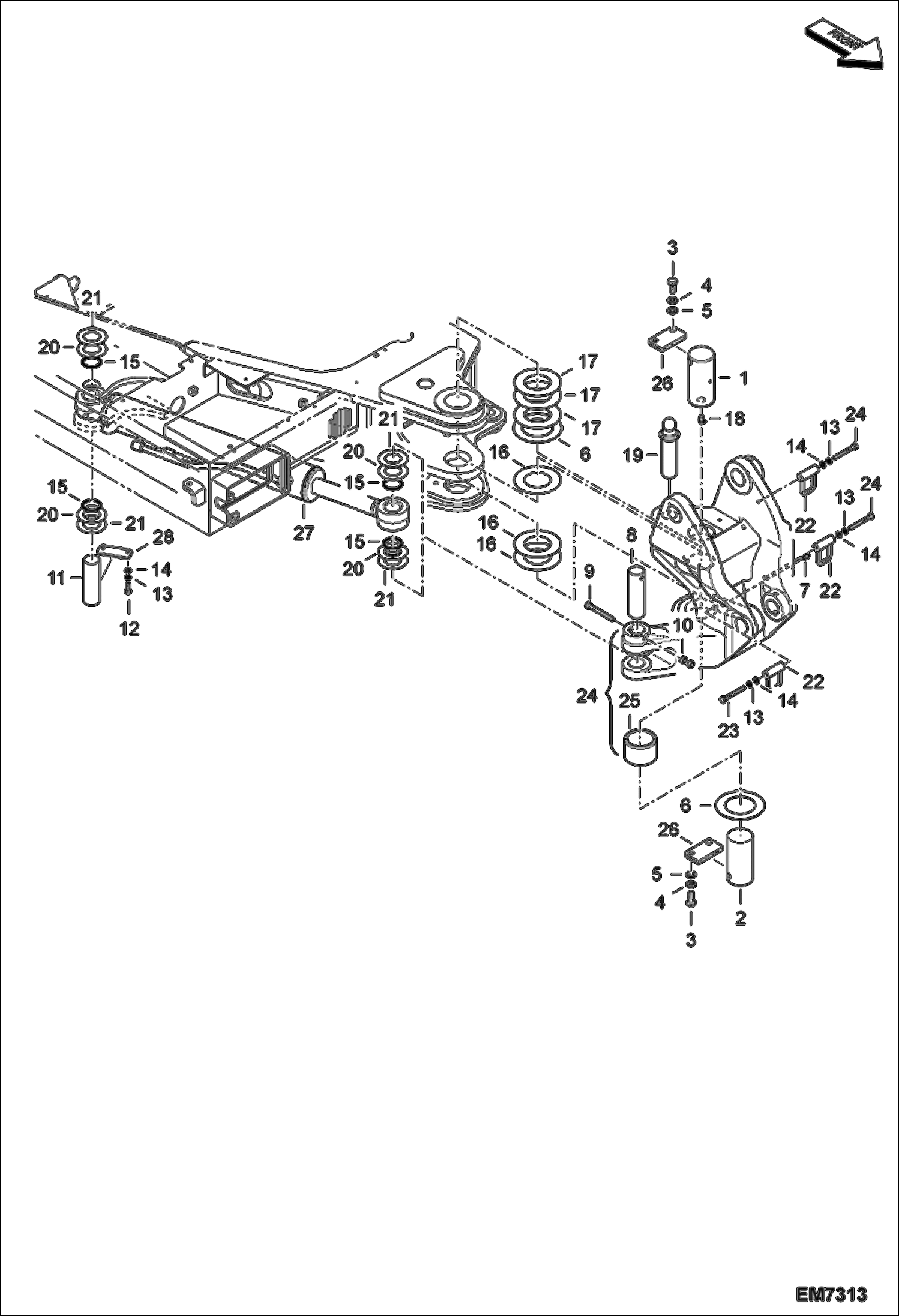
Запчасти Bobcat E55W SWING FRAME WORK EQUIPMENT

Схема запчастей Bobcat E55W - SWING FRAME WORK EQUIPMENT
FIT
1:1
100%

Артикул

Название

Примечание

Количество

1

PIN NLA Was 7005847 - A

1

7022900

PIN

2

PIN NLA Was 7004577 - A

2

7022901

PIN

3

7007647

BOLT, M16X2.0X35

4

7007839

WASHER SPRING

5

7007823

WASHER PLAIN

6

7004503

COLLAR THRUST

7

6694227

FITTING, GREASE Was 7010246 - C

8

PIN NLA Was 7003881 - A

8

7022888

PIN

9

7007692

BOLT

10

7007799

NUT

11

PIN NLA Was 7005848 - A

11

7022902

PIN

12

7007630

BOLT

13

7007835

WASHER SPRING

13

7007835

WASHER SPRING

14

7007818

WASHER, PLAIN M10

14

7007818

WASHER, PLAIN M10

15

7004638

SEAL DUST

16

7004480

SHIM

17

7004481

SHIM

18

7007898

FITTING GREASE

19

7005849

PIN LOCK

20

7005610

SHIM 1.0T 1,0 mm

21

7005611

SHIM 1.6T 1,6 mm

22

7006500

CLAMP

22

7006500

CLAMP

23

7007679

BOLT

23

7007679

BOLT

24

BRACKET, SWING NLA - W/Ref. 25 Was 7005829 - A

24

7012265

BRACKET,BOOM SWING W/Ref. 25

25

7004462

BUSHING

26

7005624

PLATE LOCK

27

CYLINDER, BOOM SWING See Illustration BOOM SWING CYLINDER/ EX006145 NLA Was 7005725 - A

27

7020674

CYLINDER, BOOM SWING See Illustration BOOM SWING CYLINDER/ EX006145

28

7005041

PLATE LOCK

Выбрано товаров: 38