Запчасти Bobcat E60 PEDAL VALVE HYDRAULIC SYSTEM

Схема запчастей Bobcat E60 - PEDAL VALVE HYDRAULIC SYSTEM
FIT
1:1
100%

Артикул

Название

Примечание

Количество

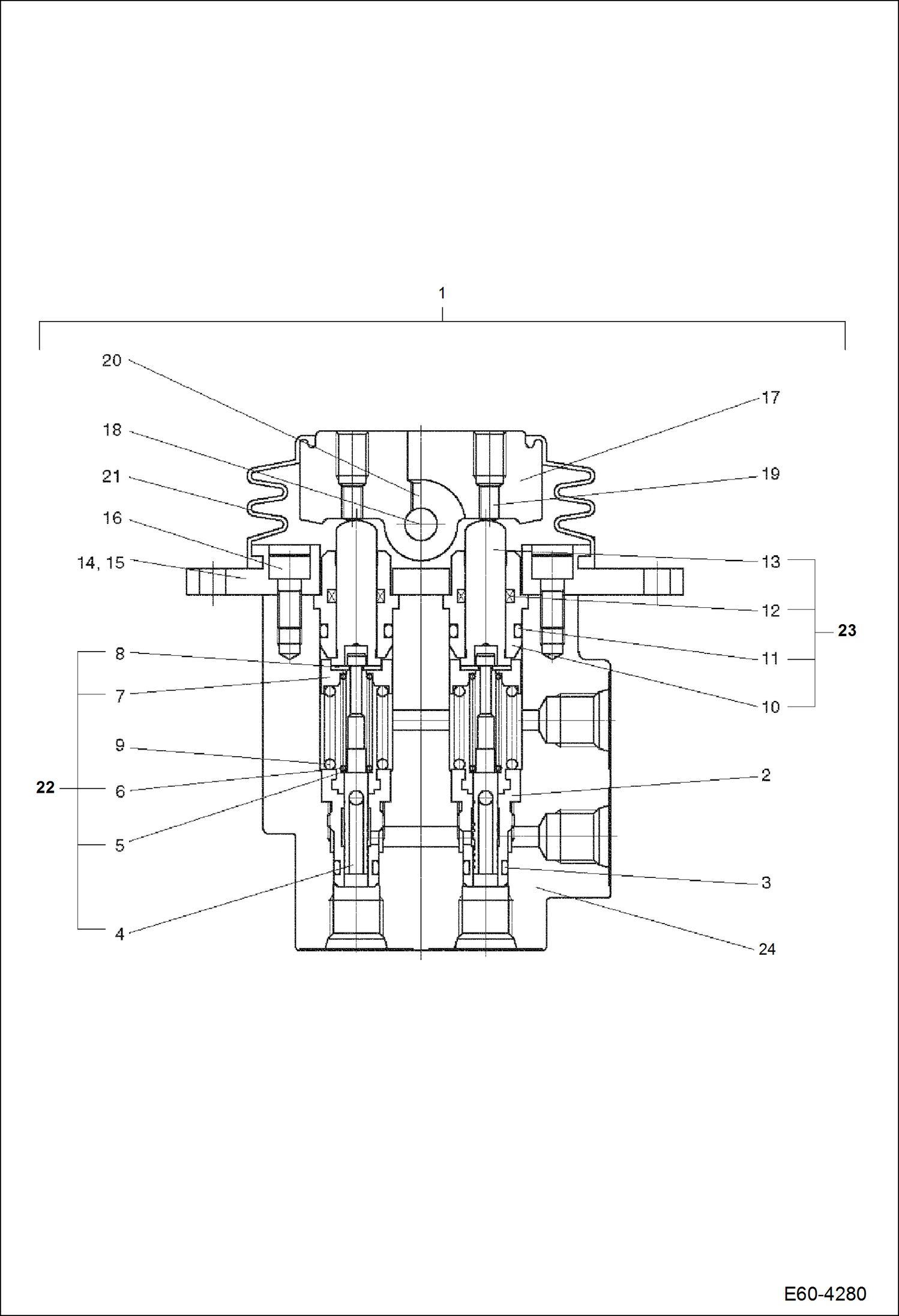
1

7005669

VALVE PEDAL W/Ref. 2-24

2

7003799

PLUG

3

7007903

O-RING

4

7004991

SPOOL

5

7008032

SEAT SPRING

6

7006881

SPRING

7

7006882

SEAT SPRING

8

7004971

STOP

9

7006883

SPRING

10

7003800

PLUG

11

7007909

O-RING

12

7003794

SEAL ROD

13

7006885

ROD PUSH

14

7006886

COVER

15

7004458

BUSHING DU

16

7007723

BOLT SOCKET

17

7006887

CAM

18

7006888

PIN

19

7006889

SCREW ADJUST

20

7007790

BOLT SOCKET

21

7006890

DIAPHRAGM BELLOWS

22

7006880

KIT SPOOL W/Ref. 4-9

23

7006884

KIT PLUG W/Ref. 10-13

24

BODY NLA - Order Ref. 1

Выбрано товаров: 24