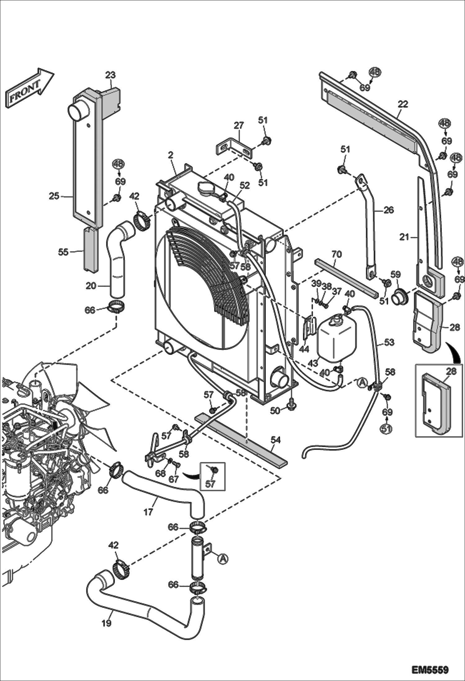
Запчасти Bobcat E60 ENGINE & ATTACHING PARTS (Radiator Mounting) POWER UNIT

Схема запчастей Bobcat E60 - ENGINE & ATTACHING PARTS (Radiator Mounting) POWER UNIT
FIT
1:1
100%

Артикул

Название

Примечание

Количество

2

EXCHANGER, RADIATOR ASSY See Illustration ENGINE & ATTACHING PARTS/ EM5860 NLA Was 7008217 - B

2

EXCHANGER, RADIATOR ASSY See Illustration ENGINE & ATTACHING PARTS/ EM5860 NLA Was 7012227 - A

2

7012747

EXCHANGER, WATER RADIATOR See Illustration ENGINE & ATTACHING PARTS/ EM5860

17

HOSE, WATER NLA Was 7006334 - A

17

7024747

HOSE RADIATOR

19

HOSE, WATER NLA Was 7006528 - A

19

7024779

HOSE, WATER

20

HOSE, WATER NLA Was 7013236 - A

20

7024780

HOSE, WATER

21

DIAPHRAGM, BAFFLE Was 7006538 - A

21

7013237

BAFFLE

22

7008224

DIAPHRAGM, BAFFLE

23

7006609

FOAM

25

BRACKET NLA Was 7006596 - A

25

7012807

BRACKET

26

7006340

STRAP

27

7006341

PLATE

28

DIAPHRAGM, BAFFLE Was 7006539 - A

28

7013238

BAFFLE

37

7007603

BOLT

38

7007814

WASHER

39

7007828

WASHER SPRING

40

7007973

CLAMP

42

7012809

CLAMP Was 7007978 - A

43

7007331

TANK ASSY RESERVE

44

7007332

BRACKET

48

7005129

BOLT, SET

50

7005124

BOLT, SET

51

7005121

BOLT, SET

51

7005121

BOLT, SET

52

7004784

HOSE

53

7004784

HOSE

54

7006529

FOAM

55

7006537

FOAM

57

7005629

BOLT

57

7005629

BOLT

58

7003894

CLIP

59

7005589

BUSHING RUBBER

66

7007977

CLAMP

67

7007605

BOLT

68

7007814

WASHER

69

7012228

BOLT,FLANGE

70

7012746

FOAM

Выбрано товаров: 43