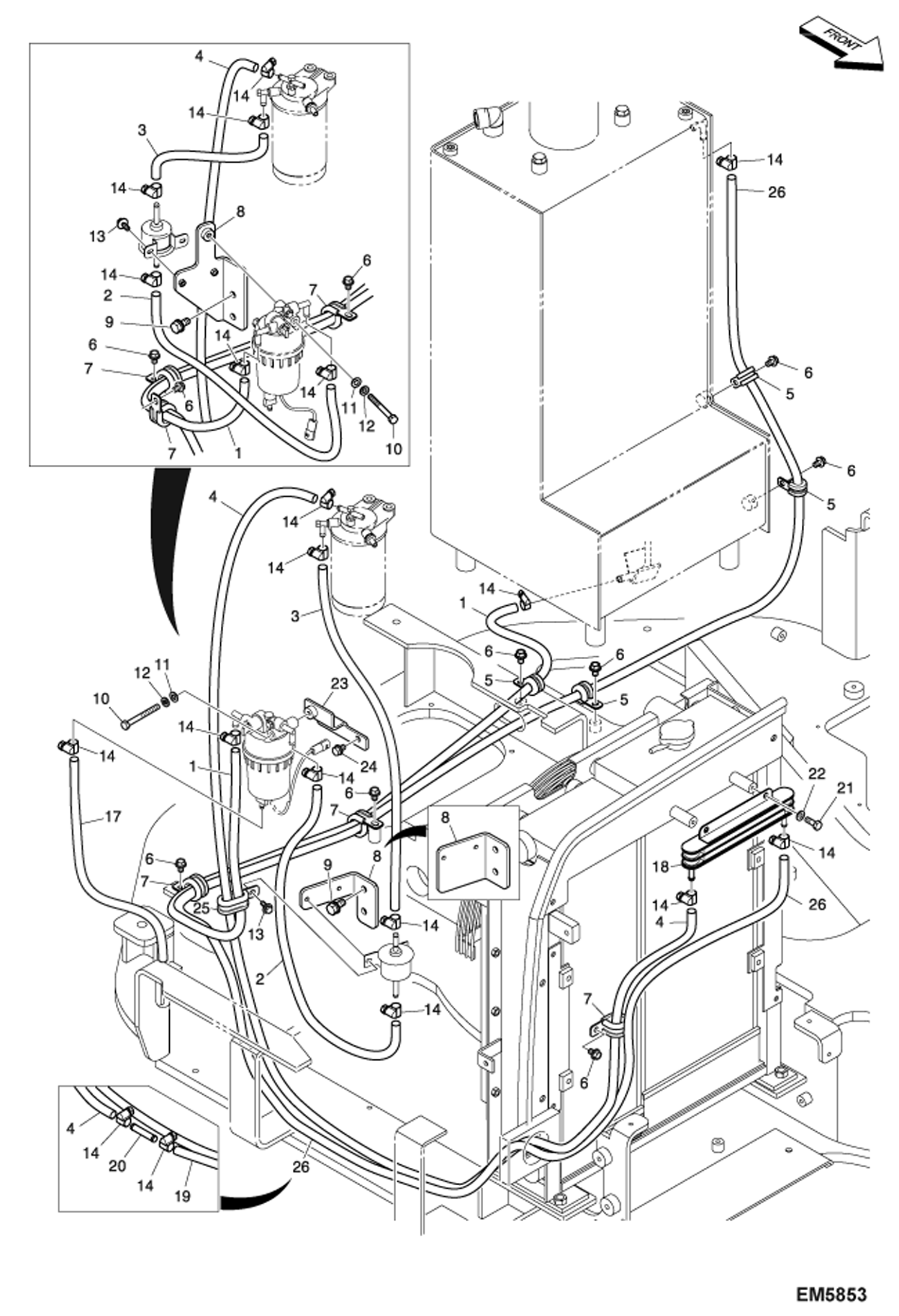
Запчасти Bobcat E60 FUEL SYSTEM (Hoses) (S/N AET811043 & Above, AGSZ811043 & Above) POWER UNIT

Схема запчастей Bobcat E60 - FUEL SYSTEM (Hoses) (S/N AET811043 & Above, AGSZ811043 & Above) POWER UNIT
FIT
1:1
100%

Артикул

Название

Примечание

Количество

1

7005540

HOSE FUEL

1

7012752

HOSE

2

7005536

HOSE FUEL

3

7005537

HOSE FUEL

4

7005531

HOSE FUEL

4

7005531

HOSE FUEL

5

7003894

CLIP

5

7003894

CLIP

6

7005629

BOLT

6

7005629

BOLT

7

7003896

CLIP

8

BRACKET NLA Was 7006398 - A

8

7012744

BRACKET

8

7017379

BRACKET

9

7005138

BOLT M10X1.5X25

10

7007665

BOLT

11

7007816

WASHER

12

7007834

WASHER SPRING

13

7005139

BOLT M6X1.0X20

14

7007973

CLAMP

14

7007973

CLAMP

17

7005533

HOSE FUEL

18

7007334

EXCHANGER COOLER FUEL

19

7005534

HOSE FUEL

20

7005668

TUBELINE

21

7007617

BOLT

22

7007834

WASHER SPRING

23

70012745

BRACKET

24

7005135

BOLT

25

7003906

CLIP

26

7019191

HOSE BULK FUEL

Выбрано товаров: 31