Качественные детали и логистика
Оригинальные и аналоговые запчасти с доставкой по России, Казахстану и Беларуси
©2022 PartSell ООО "Система" ИНН 2463123282 ОГРН 1212400004838
Центральный офис: г. Красноярск, Академика Киренского, д.87, пом.4
Телефон: 8 (800) 777-65-74 Email: zakaz@partsell.ru
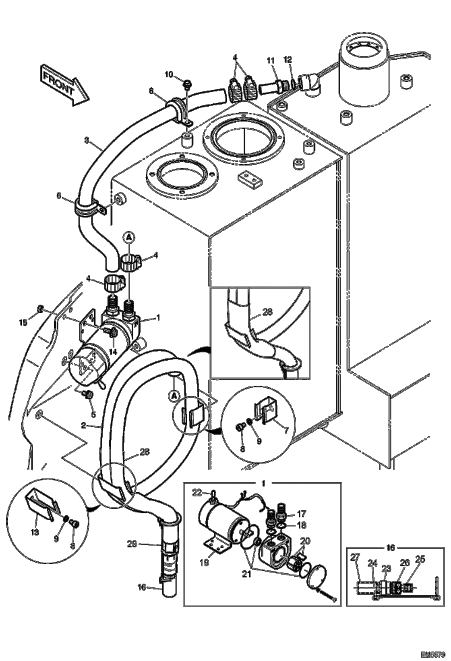
FUEL TRANSFER PUMP & CHECK VALVE (EMEA)
№
Артикул
Название
Примечание
Количество
1
7006285
PUMP FUEL FILLER W/Ref. 17-22
2
7008266
HOSE, FUEL
3
7006761
HOSE FUEL
4
7008303
CLAMP, HOSE
5
7005135
BOLT
6
7003897
CLIP
7
7006747
CLAMP
8
7007732
BOLT SOCKET
9
7007842
WASHER SPRING
10
7005629
11
7004748
ADAPTER
12
7007911
O-RING
13
7006766
14
7005137
BOLT M8X1.25X25
15
7007796
NUT
16
7008276
VALVE, CHECK W/Ref. 23-27
17
7004763
18
7007971
SEAL RING
19
7005007
MOTOR FUEL TRANSFER
20
7004967
KIT VANE
21
7004857
KIT, SEAL
22
7008149
SWITCH, TOGGLE
23
7004860
VALVE CHECK
24
7004878
FILTER STRAINER
25
26
27
7004621
CAP STRAINER
28
7010380
GUARD, HOSE
7020693
PROTECTOR,SLEEVE
29
7007976
CLAMP HOSE
Выбрано товаров: 0