Запчасти Bobcat E60 UNDERCARRIAGE UNDERCARRIAGE

Схема запчастей Bobcat E60 - UNDERCARRIAGE UNDERCARRIAGE
FIT
1:1
100%

Артикул

Название

Примечание

Количество

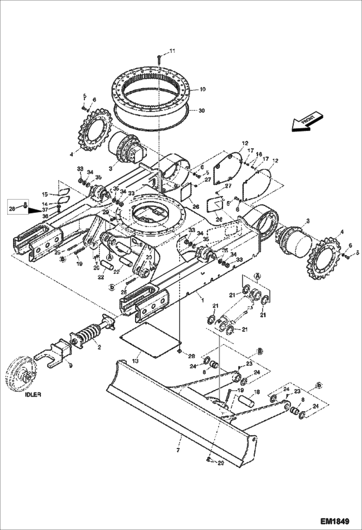
1

FRAME, TRACK NLA Was 7006054 - A

1

7021816

FRAME, TRACK

2

TENSIONER, TRACK See Illustration TRACK TENSIONER/ EM1848 NLA Was 7005903 - A

2

7021796

CYLINDER HYDRAULIC See Illustration TRACK TENSIONER/ EM1848 Was 7012243 - C

3

7027848

MOTOR TRAVEL See Illustration DRIVE MOTOR/ EM8688 Was 7021820 - B

4

SPROCKET NLA Was 7004453 - A

4

7020684

SPROCKET

5

7007645

BOLT

6

7007837

WASHER

7

BLADE NLA - W/Ref. 8 Was 7006062 - A

7

7021830

BLADE W/Ref. 8

8

7003855

BUSHING

9

7004601

YOKE

10

7006224

SWING BEARING W/Ref. 30

11

7007705

BOLT

12

7004965

COVER MOTOR

13

7004856

COVER

14

7004925

COVER

15

7004643

SEAL

16

7007626

BOLT

17

7007835

WASHER SPRING

18

PIN Was 7004575 - A

18

7022920

PIN

19

7007700

BOLT

20

7007799

NUT

21

7004492

SHIM

22

PIN Was 7003890 - A

22

7022921

PIN

23

6694227

FITTING, GREASE Was 7010312 - C

24

7004499

SHIM

25

7007693

BOLT

26

7005045

COVER

27

7012229

BOLT, FLANGE Was 7005129 - B

28

BOLT, SET NLA Was 7004555 - A

28

BOLT, SET NLA Was 7004555 - A

28

7012244

BOLT,FLANGE

29

7007800

NUT M14

30

7003946

SEAL

33

7007802

NUT

34

7023174

WASHER Was 7007841 - B

35

7007824

WASHER, PLAIN

36

7007626

BOLT

37

7007835

WASHER SPRING

Выбрано товаров: 43