Качественные детали и логистика
Оригинальные и аналоговые запчасти с доставкой по России, Казахстану и Беларуси
©2022 PartSell ООО "Система" ИНН 2463123282 ОГРН 1212400004838
Центральный офис: г. Красноярск, Академика Киренского, д.87, пом.4
Телефон: 8 (800) 777-65-74 Email: zakaz@partsell.ru
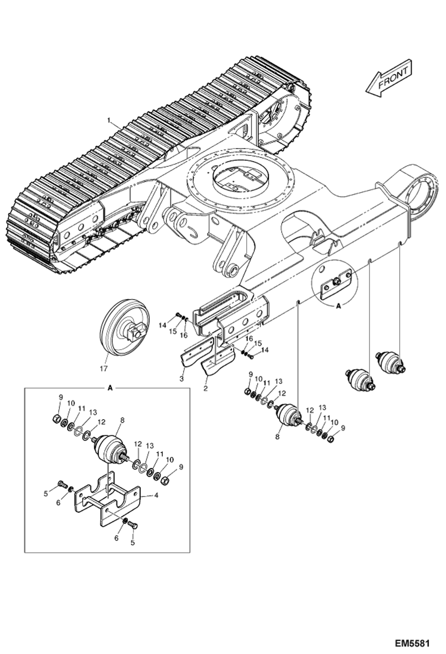
TRACK (Steel)
№
Артикул
Название
Примечание
Количество
1
7023171
CRAWLER See Illustration TRACK/ EM9074 Was 7004846 - B
2
7005645
GUARD TRACK LH
3
7005646
GUARD TRACK RH
4
7005666
GUARD TRACK
5
7007648
BOLT
6
7007839
WASHER SPRING
8
ROLLER, LOWER NLA Was 7006144 - A
7022650
ROLLER, TRACK
9
7007802
NUT
10
7023174
WASHER Was 7007841 - B
11
7007824
WASHER, PLAIN
12
7005599
SHIM
13
7005600
14
7007640
15
7007836
WASHER SPRING M12
16
7007820
17
7020685
IDLER ASSY
Выбрано товаров: 0