Качественные детали и логистика
Оригинальные и аналоговые запчасти с доставкой по России, Казахстану и Беларуси
©2022 PartSell ООО "Система" ИНН 2463123282 ОГРН 1212400004838
Центральный офис: г. Красноярск, Академика Киренского, д.87, пом.4
Телефон: 8 (800) 777-65-74 Email: zakaz@partsell.ru
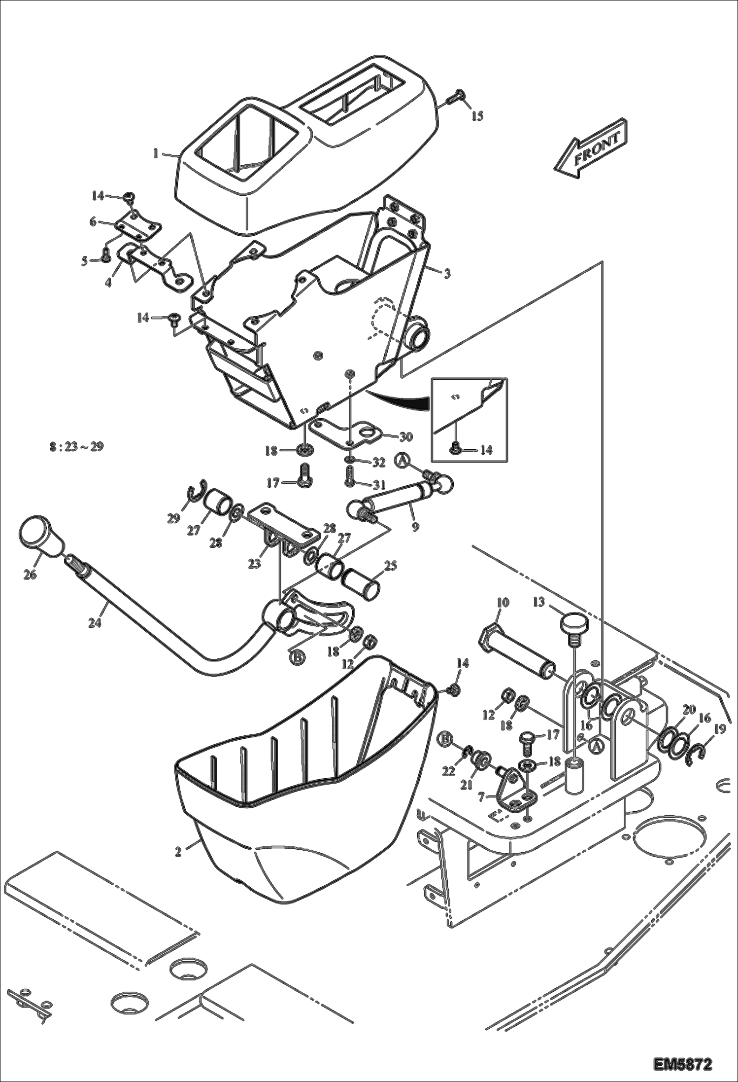
LH CONTROL
№
Артикул
Название
Примечание
Количество
1
7006260
HOUSING UPPER LH
2
7006261
HOUSING LOWER
3
7017306
BRACKET, STAND Was 7006264 - A
4
7005894
PLATE
5
7007789
BOLT
6
7005893
7
7006717
8
7006328
LEVER ASSYSAFETY W/Ref. 23-29
9
7005143
CYLINDER GAS
10
7006611
PIN
12
7004562
NUT
13
7004625
STOP
14
7004548
15
7004549
BOLT, GREEN
16
7005659
SHIM
17
7004546
18
7004515
WASHER
19
7005662
RING Was 7007891 - D
20
7004523
21
7005661
ROLLER
22
7005663
RING
23
7006325
24
7006326
LEVER
25
7006324
26
7005674
HANDLE GRIP
27
7004460
BUSHING
28
7004479
29
30
7013287
PLATE, STOPPER
31
7007601
32
7007810
Выбрано товаров: 0