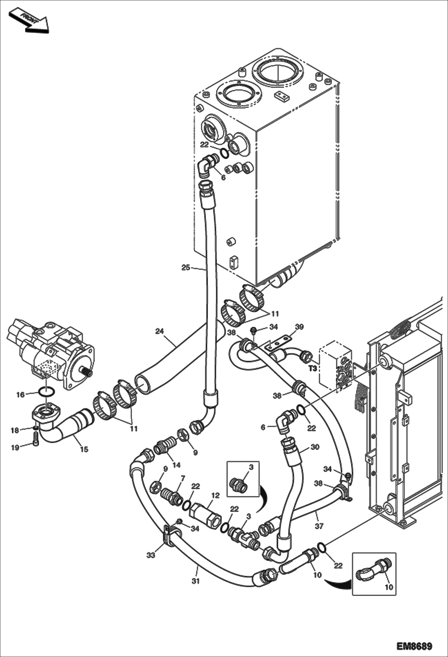
Запчасти Bobcat E60 HYDRAULIC CIRCUITRY (Suction & Return From Exchanger) HYDRAULIC SYSTEM

Схема запчастей Bobcat E60 - HYDRAULIC CIRCUITRY (Suction & Return From Exchanger) HYDRAULIC SYSTEM
FIT
1:1
100%

Артикул

Название

Примечание

Количество

3

7005560

ELBOW Was 7004687 - A

3

7004742

TEE

6

7004725

ELBOW

7

7005547

ADAPTER

9

7003877

NUT

10

7005559

ELBOW

10

7021859

FITTING, HYD ELBOW

11

7007980

CLAMP HOSE

12

7005940

VALVE BYPASS

14

7003951

ADAPTER

15

7006424

TUBELINE SUCTION

16

7004634

O-RING

18

7007845

WASHER SPRING

19

7007762

BOLT SOCKET M12X1.75X40

22

7007920

O-RING

24

HOSE, HYD NLA Was 7004799 - A

24

7013250

HOSE

25

7005191

HOSE

30

7005178

HOSE

30

7021847

HOSE HYDRAULIC ASSY

30

7022861

HOSE HYDRAULIC ASSY

31

7008164

HOSE

31

7022862

HOSE HYDRAULIC ASSY

33

7003901

CLIP

34

7005629

BOLT

34

7005629

BOLT

37

7021856

HOSE HYDRAULIC ASSY

38

7003897

CLIP

39

7021804

BRACKET, MOUNTING

Выбрано товаров: 0