Запчасти Bobcat E62 ELECTRICAL ELECTRICAL SYSTEM

Схема запчастей Bobcat E62 - ELECTRICAL ELECTRICAL SYSTEM
FIT
1:1
100%

Артикул

Название

Примечание

Количество

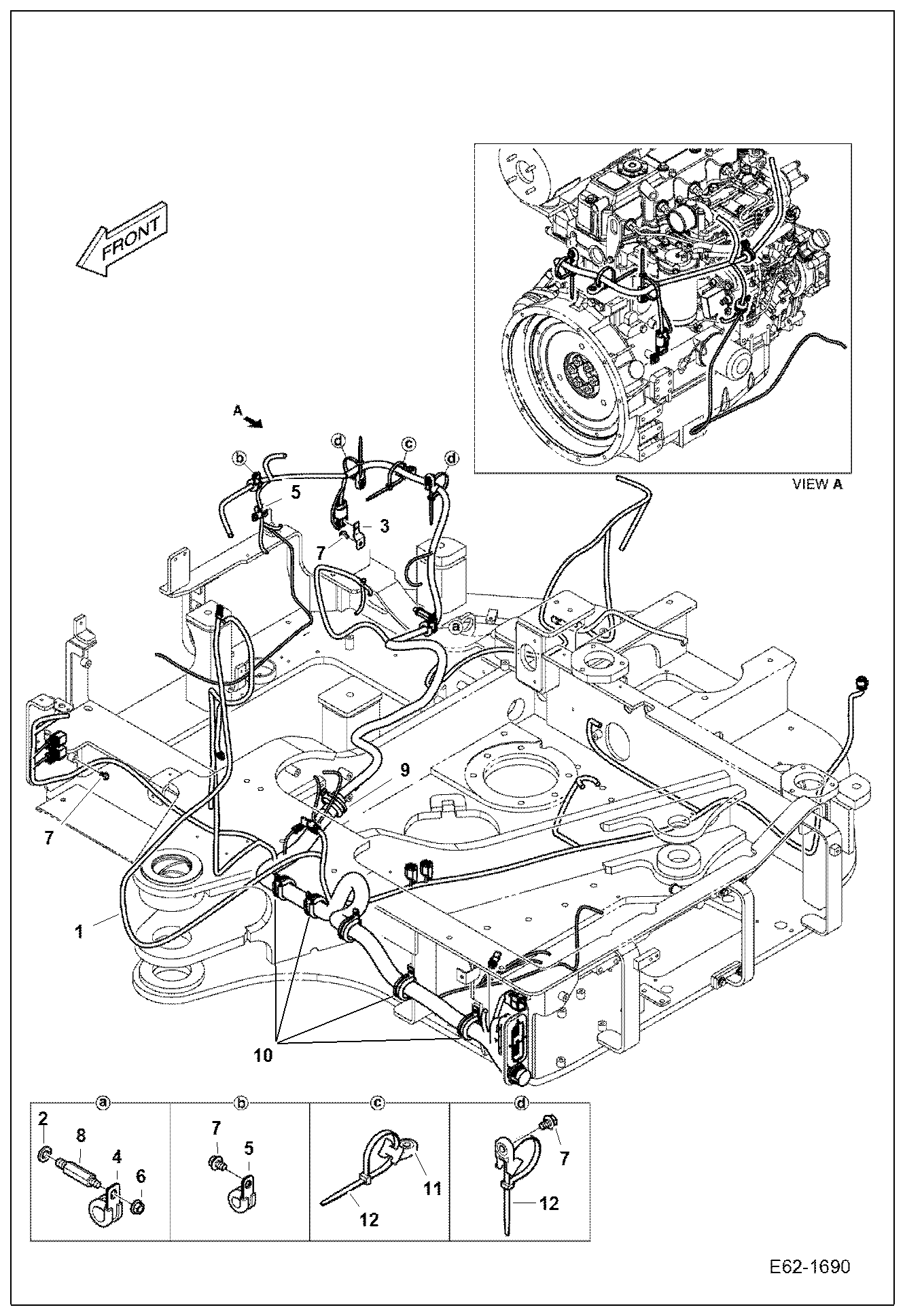
1

7030171

HARNESS, MFR

1

7004913

RESITOR DIODE

1

7005030

RESISTOR DIODE ASSY 3A

2

7007835

WASHER SPRING

3

7004825

BRACKET HOUSING

4

7003895

CLIP

5

7003894

CLIP

6

7004561

NUT

7

7005629

BOLT

8

7003871

BOLT STUD

9

7003897

CLIP

10

7003896

CLIP

11

7030172

BRACKET

12

7030173

STRAP, TIE

Выбрано товаров: 14