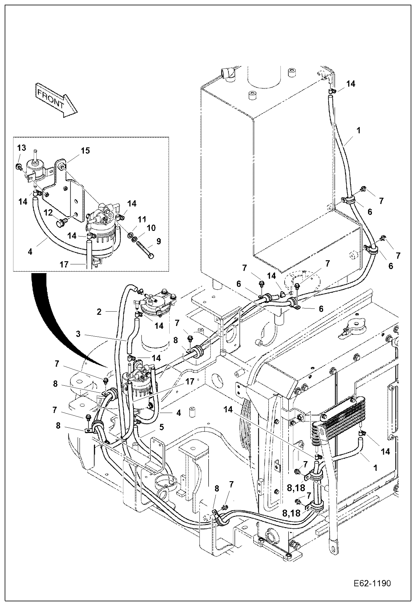
Запчасти Bobcat E62 FUEL SYSTEM POWER UNIT

Схема запчастей Bobcat E62 - FUEL SYSTEM POWER UNIT
FIT
1:1
100%

Артикул

Название

Примечание

Количество

1

7029781

HOSE

2

7005528

HOSE FUEL

3

7029190

HOSE, FUEL

4

7005535

HOSE FUEL

5

7005533

HOSE FUEL

6

7003894

CLIP

7

7005629

BOLT

8

7003896

CLIP

9

7007665

BOLT

10

7007834

WASHER SPRING

11

7007816

WASHER

12

7005138

BOLT M10X1.5X25

13

7005139

BOLT M6X1.0X20

14

7007973

CLAMP

15

7006398

BRACKET

17

7029194

HOSE, FUEL

Выбрано товаров: 16