Качественные детали и логистика
Оригинальные и аналоговые запчасти с доставкой по России, Казахстану и Беларуси
©2022 PartSell ООО "Система" ИНН 2463123282 ОГРН 1212400004838
Центральный офис: г. Красноярск, Академика Киренского, д.87, пом.4
Телефон: 8 (800) 777-65-74 Email: zakaz@partsell.ru
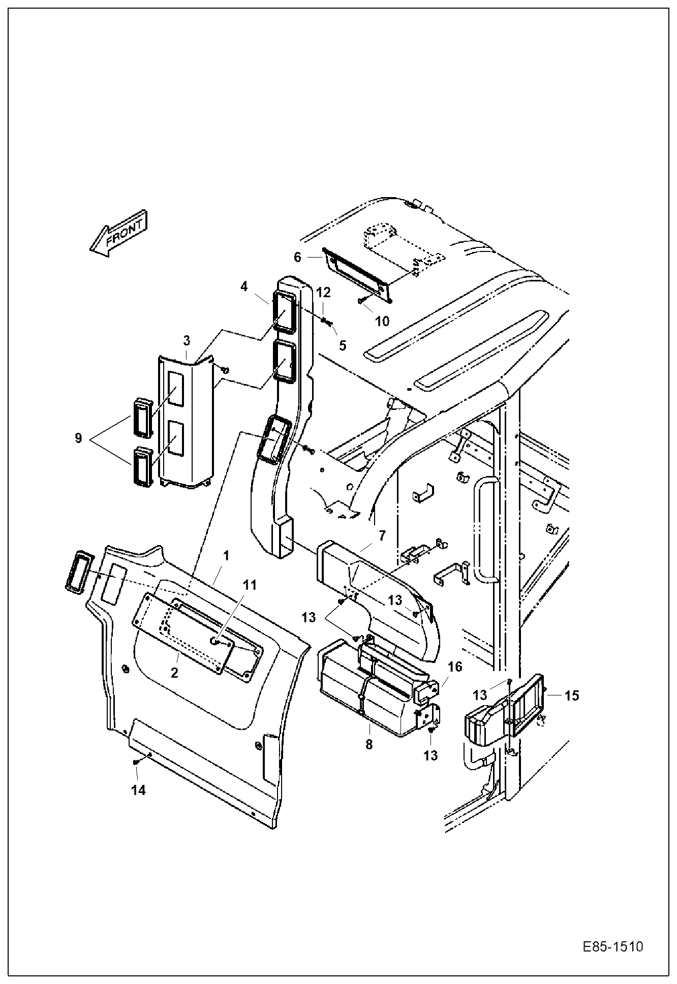
OPERATOR CAB (Rear Cover & Ducts)
№
Артикул
Название
Примечание
Количество
1
7028959
COVER, REAR
2
7006266
COVER
3
7028956
COVER, PILLAR
4
7006307
DUCT, PILLAR
5
7004550
BOLT
6
7005945
COVER, CASSETTE
7
7005777
DUCT, REAR
8
7017367
DUCT, CONTROL
9
7015588
NOZZLE, DUCT W/Ref. 24-30
10
7004549
BOLT, GREEN
11
7006282
12
7004516
WASHER, PLAIN
13
7004547
14
7004531
15
7028995
DUCT, AIR
16
7006530
MOTOR, MIX
Выбрано товаров: 0