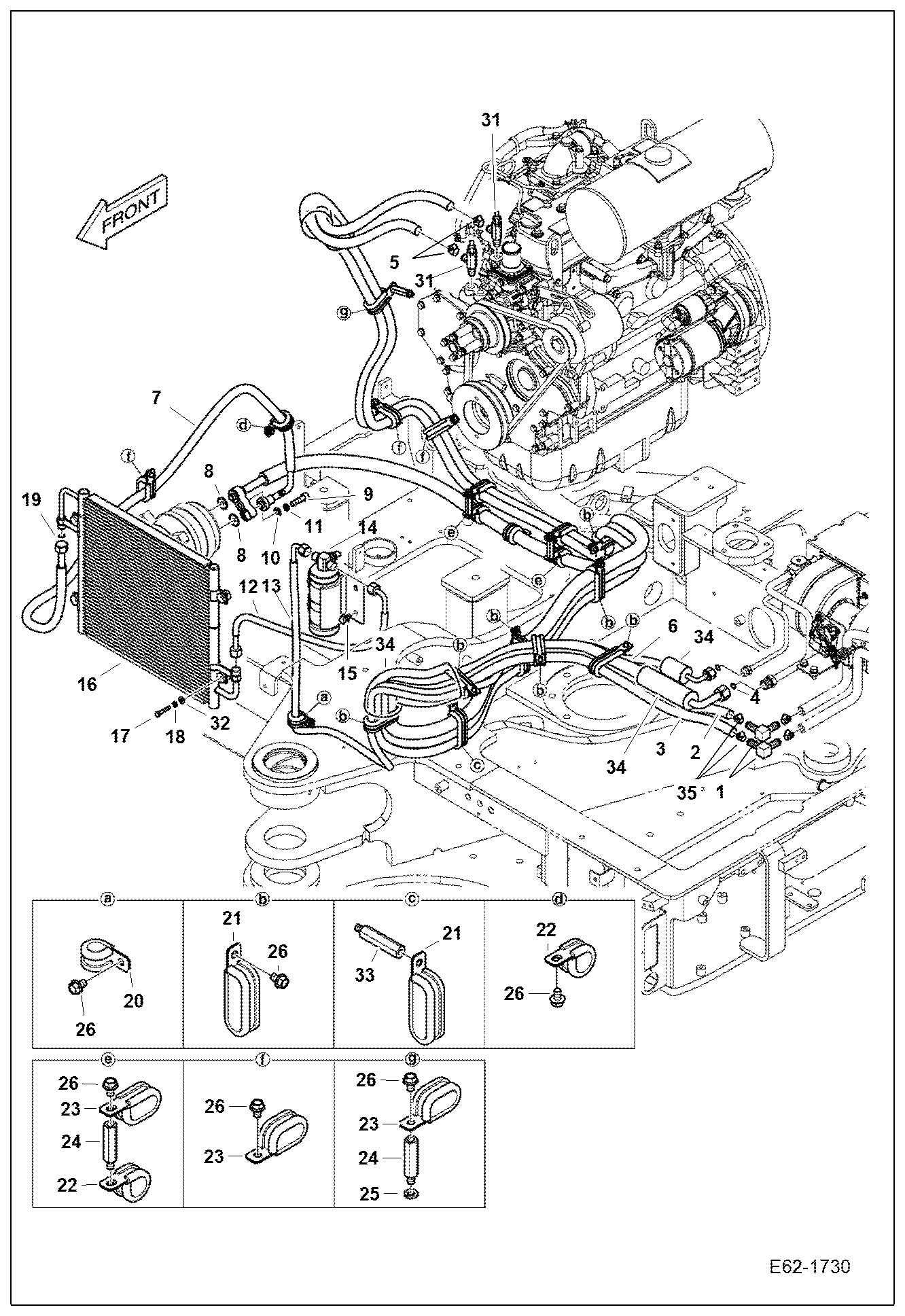
Запчасти Bobcat E62 AIR CONDITIONER MAIN FRAME

Схема запчастей Bobcat E62 - AIR CONDITIONER MAIN FRAME
FIT
1:1
100%

Артикул

Название

Примечание

Количество

1

7029212

FITTING, ELBOW

2

7029891

HOSE, RUBBER

3

7029891

HOSE, RUBBER

4

7006239

O-RING

5

7007975

CLAMP

6

7006467

HOSE SUCTION

7

7006468

HOSE DISCHARGE

8

7004664

WASHER, SEAL

9

7007750

BOLT, SOCKET M10X1.5X35

10

7007825

WASHER PLAIN

11

7007843

WASHER, SPRING

12

7029890

HOSE, A/C ASSY

13

7029883

HOSE, A/C ASSY

14

7004841

RECEIVER, DRIER

15

7005129

BOLT, SET

16

7028921

CONDENSER, A/C

17

7007651

BOLT

18

7007833

WASHER, SPRING

19

7005656

O-RING

20

7003895

CLIP

21

7003907

CLIP

22

7003896

CLIP

23

7003905

CLIP

24

7004554

BOLT STUD

25

7007834

WASHER SPRING

26

7005629

BOLT

31

7030174

VALVE

32

7029488

WASHER

33

7029669

BOLT

34

7029316

HOSE, WATER

35

7007974

CLAMP

Выбрано товаров: 0