Запчасти Bobcat E62 UNDERCARRIAGE UNDERCARRIAGE

Схема запчастей Bobcat E62 - UNDERCARRIAGE UNDERCARRIAGE
FIT
1:1
100%

Артикул

Название

Примечание

Количество

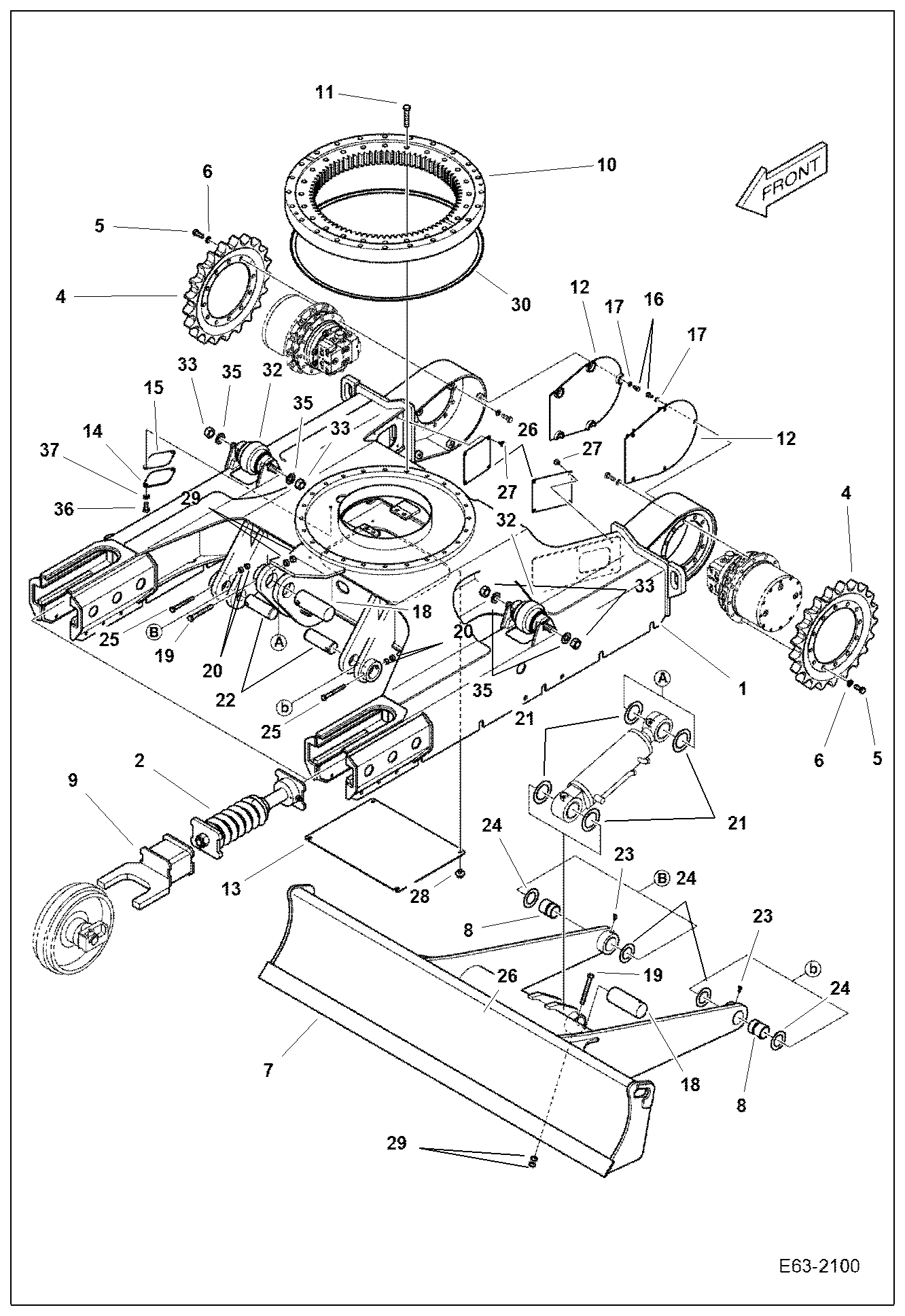
1

7029766

FRAME, TRACK

2

7029736

TENSIONER, TRACK

3

7003855

BUSHING

4

7020684

SPROCKET

5

7007645

BOLT

6

7007837

WASHER

7

7029653

BLADE, DOZER W/Ref 3 (2)

8

7024778

SEAL

9

7004601

YOKE

10

7029650

BEARING, SWING W/Ref 8

11

7007705

BOLT

12

7004965

COVER MOTOR

13

7004856

COVER

14

7004925

COVER

15

7004643

SEAL

16

7007626

BOLT

17

7007835

WASHER SPRING

18

7022920

PIN

19

7007700

BOLT

20

7007799

NUT

21

7004492

SHIM

22

7022921

PIN

23

7007899

FITTING GREASE

24

7004499

SHIM

25

7007693

BOLT

26

7005045

COVER

27

7012229

BOLT, FLANGE

28

7012244

BOLT,FLANGE

29

7007800

NUT M14

32

7004843

ROLLER UPPER

33

7007802

NUT

35

7030044

WASHER

36

7007626

BOLT

37

7007835

WASHER SPRING

Выбрано товаров: 34