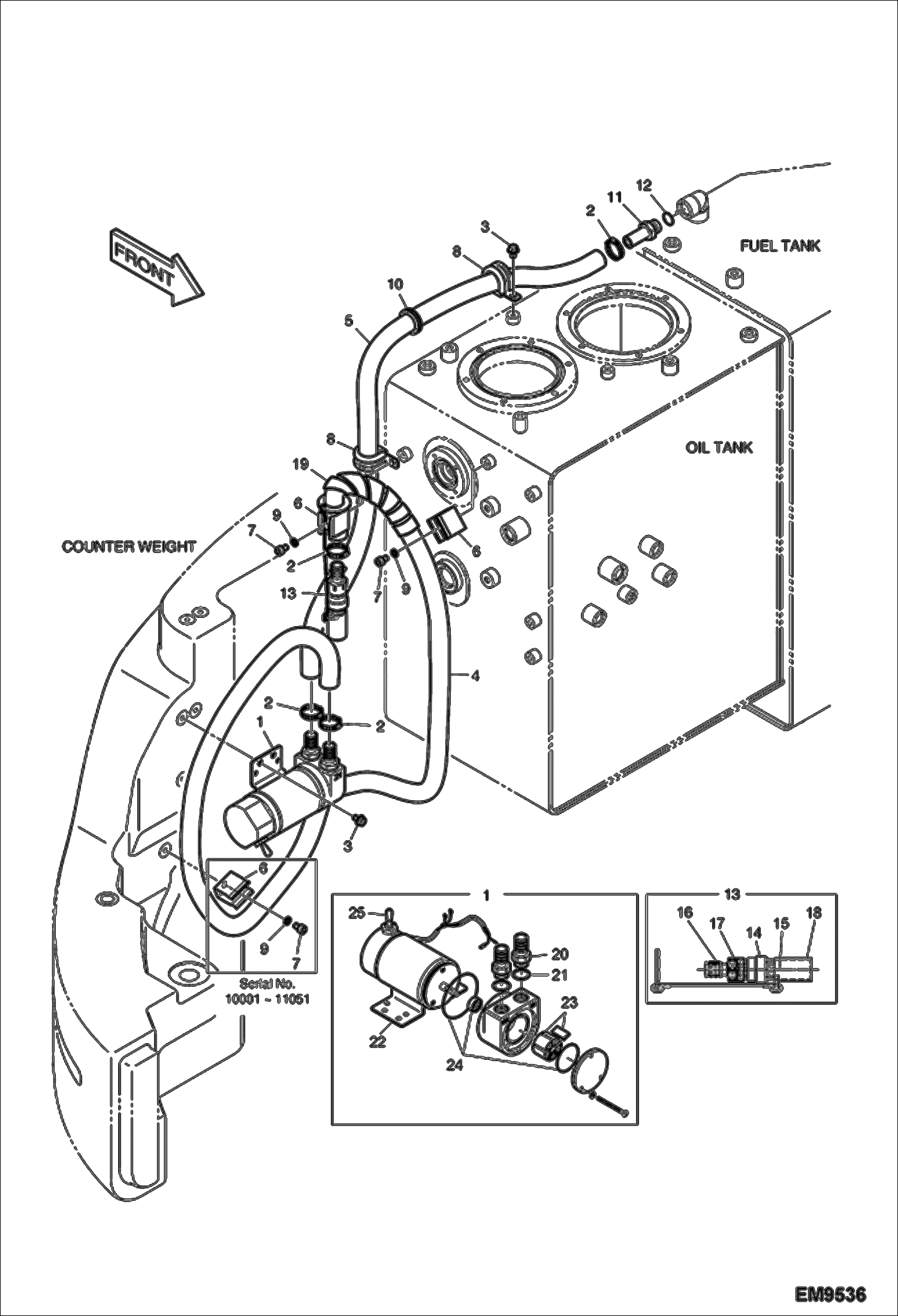
Запчасти Bobcat E80 FUEL TRANSFER PUMP & CHECK VALVE (Filler Pump) POWER UNIT

Схема запчастей Bobcat E80 - FUEL TRANSFER PUMP & CHECK VALVE (Filler Pump) POWER UNIT
FIT
1:1
100%

Артикул

Название

Примечание

Количество

1

7006285

PUMP FUEL FILLER Ref. 20-25

2

7008303

CLAMP, HOSE

3

7005629

BOLT

4

7008266

HOSE, FUEL

5

7006756

HOSE FUEL

6

7006747

CLAMP

6

7006766

CLAMP Was 7006747 - A

7

7007732

BOLT SOCKET

7

7007732

BOLT SOCKET

8

7003897

CLIP

9

7007842

WASHER SPRING

9

7007842

WASHER SPRING

10

7004609

BUSHING RUBBER

11

7004748

ADAPTER

12

7007911

O-RING

13

7008276

VALVE, CHECK Ref. 14-18

14

7004763

ADAPTER

15

7004860

VALVE CHECK

16

7004878

FILTER STRAINER

17

7007971

SEAL RING

18

7004621

CAP STRAINER

19

7008181

GUARD, PROTECTOR SLEEVE

20

7004763

ADAPTER

21

7007971

SEAL RING

22

7005007

MOTOR FUEL TRANSFER

23

7004967

KIT VANE

24

7004857

KIT, SEAL

25

7008149

SWITCH, TOGGLE

Выбрано товаров: 28