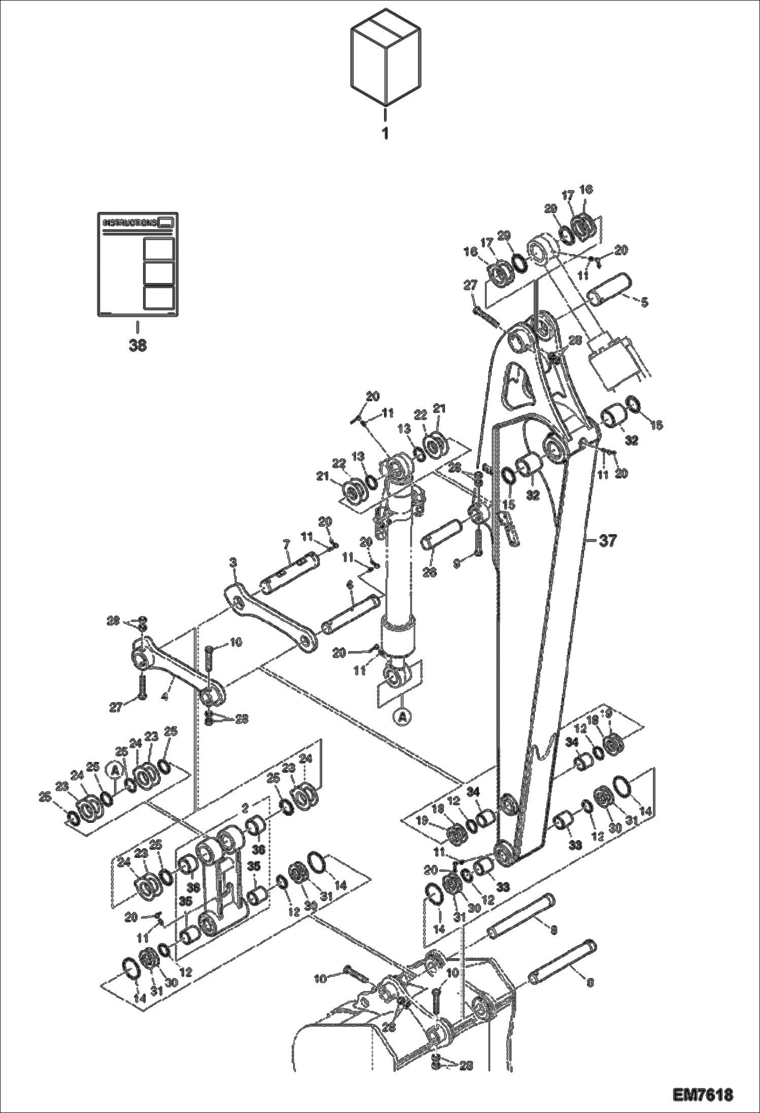
Запчасти Bobcat E80 ARM KIT (Long) (EMEA) ACCESSORIES & OPTIONS

Схема запчастей Bobcat E80 - ARM KIT (Long) (EMEA) ACCESSORIES & OPTIONS
FIT
1:1
100%

Артикул

Название

Примечание

Количество

1

7178241

KIT, ARM LONG long - Ref. 2-38

2

7006011

LINK PUSH W/Ref. 35-36

3

7003919

LINK GUIDE RH

4

7003920

LINK GUIDE LH

5

7003887

PIN

6

7022867

PIN Was 7003889 - B

7

7003888

PIN

8

7015653

PIN;ARM/LINK TO BUCKET Was 7004571 - A

9

7007709

BOLT

10

7007708

BOLT

11

6694227

FITTING, GREASE Was 7010247 - C

12

7004637

SEAL DUST

13

7004638

SEAL DUST

14

7003939

O-RING

15

7004641

SEAL DUST

16

7005615

SHIM 1.0T 1,0 mm

17

7005616

SHIM 1.6T 1,6 mm

18

7005604

SHIM 1.0T 1,0 mm

19

7005605

SHIM 1.6T 1,6 mm

20

7003923

CAP GREASE NIPPLE

21

7005606

SHIM 1.0T 1,0 mm

22

7005607

SHIM 1.6T 1,6 mm

23

7005620

SHIM 1.0T 1,0 mm

24

7005621

SHIM 1.6T 1,6 mm

25

7004639

SEAL DUST

26

7006141

PIN

27

7007710

BOLT

28

7007801

NUT M16X1.0

29

7004640

SEAL DUST

30

7004482

SHIM

31

7004483

SHIM

32

7006001

BUSHING

33

7006002

BUSHING

34

7005748

BUSHING

35

7006002

BUSHING

36

7006003

BUSHING

37

7015639

ARM,MACHINE;THUMB(2.25M) W/Ref. 32-34 Was 7010539 - A

37

7015639

ARM,MACHINE;THUMB(2.25M) Optional - W/Ref. 32-34

38

6987383

INSTRUCTIONS

Выбрано товаров: 39