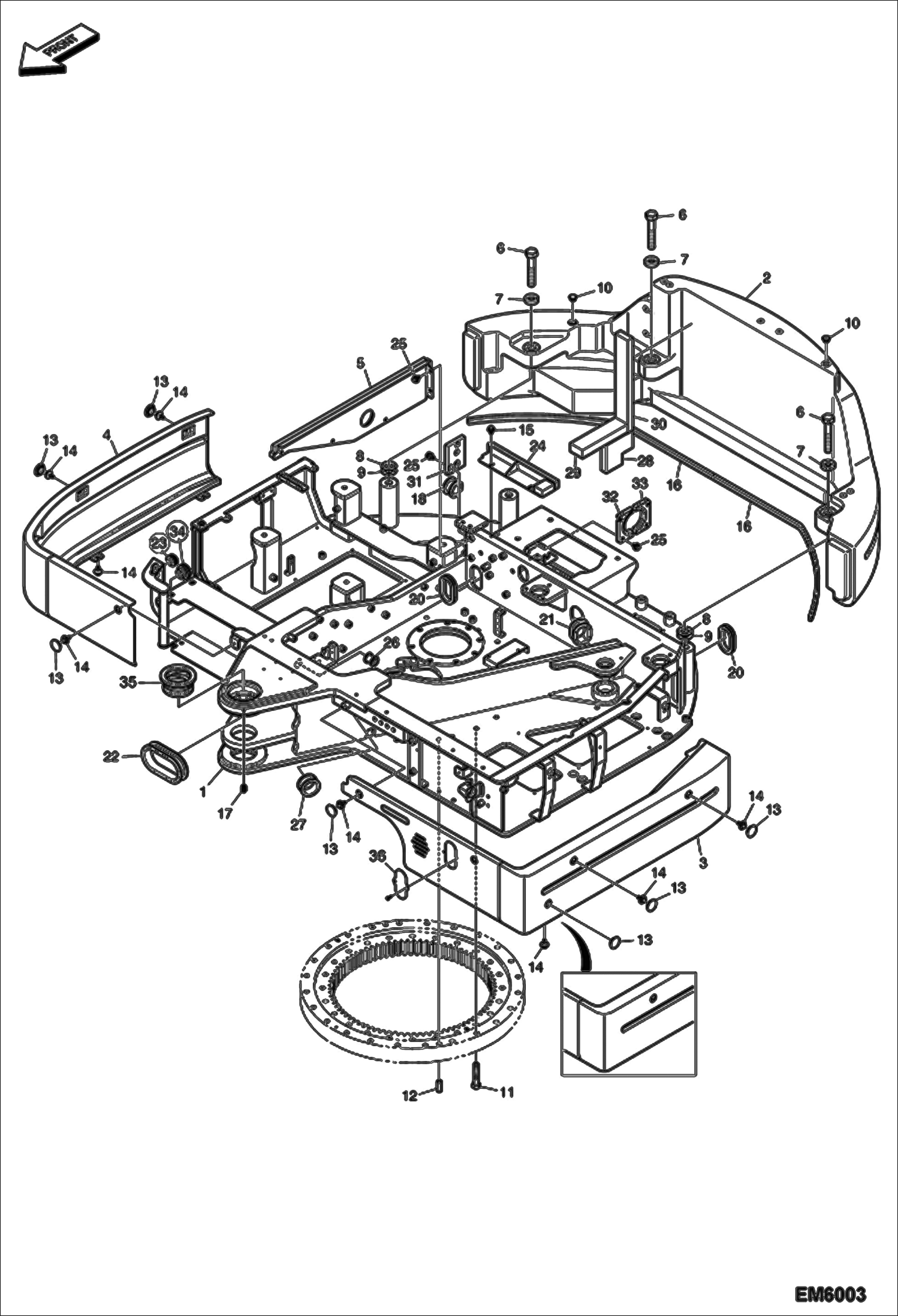
Запчасти Bobcat E80 UPPERSTRUCTURE MAIN FRAME

Схема запчастей Bobcat E80 - UPPERSTRUCTURE MAIN FRAME
FIT
1:1
100%

Артикул

Название

Примечание

Количество

1

FRAME, MAIN NLA - W/Ref. 35 Was 7008206 - A

1

FRAME, MAIN NLA - W/Ref. 35 Was 7015430 - A

1

FRAME, MAIN NLA - W/Ref. 35 Was 7017386 - A

1

FRAME, MAIN NLA - W/Ref. 35 Was 7021819 - A

1

7020970

FRAME MAIN W/Ref. 35

2

7006241

COUNTERWEIGHT

3

COVER, SIDE LH NLA - W/Ref. 36 Was 7006153 - A

3

7015431

COVER W/Ref. 36

4

7006154

COVER, SIDE RH

5

7017409

COVER, BAFFLE Was 7006330 - A

6

7005117

BOLT

7

7004502

WASHER

8

7004491

SHIM

9

7004493

SHIM

10

7003922

CAP

11

7007713

BOLT

12

PIN, KNOCK NLA Was 7004568 - A

12

7012272

PIN, DOWEL

13

7005653

PAD

13

7005653

PAD

14

7005128

BOLT, SET

15

7005129

BOLT, SET

16

7006351

PAD

17

7007895

NIPPLE

18

7005592

BUSHING, RUBBER

20

7005581

BUSHING, RUBBER

21

7005586

BUSHING, RUBBER

22

7005584

GROMMET

23

7006536

BUSHING

24

7006578

COVER, BAFFLE

25

7005135

BOLT

26

7005595

BUSHING, RUBBER

27

7005596

BUSHING, RUBBER

28

7006736

FOAM

29

7006737

FOAM

30

7006738

FOAM

31

7006739

COVER, BAFFLE

32

7006741

COVER, BAFFLE

33

7006742

COVER, BAFFLE

34

7005590

BUSHING, RUBBER

35

7006283

BUSHING

36

7006365

COVER

Выбрано товаров: 42