Качественные детали и логистика
Оригинальные и аналоговые запчасти с доставкой по России, Казахстану и Беларуси
©2022 PartSell ООО "Система" ИНН 2463123282 ОГРН 1212400004838
Центральный офис: г. Красноярск, Академика Киренского, д.87, пом.4
Телефон: 8 (800) 777-65-74 Email: zakaz@partsell.ru
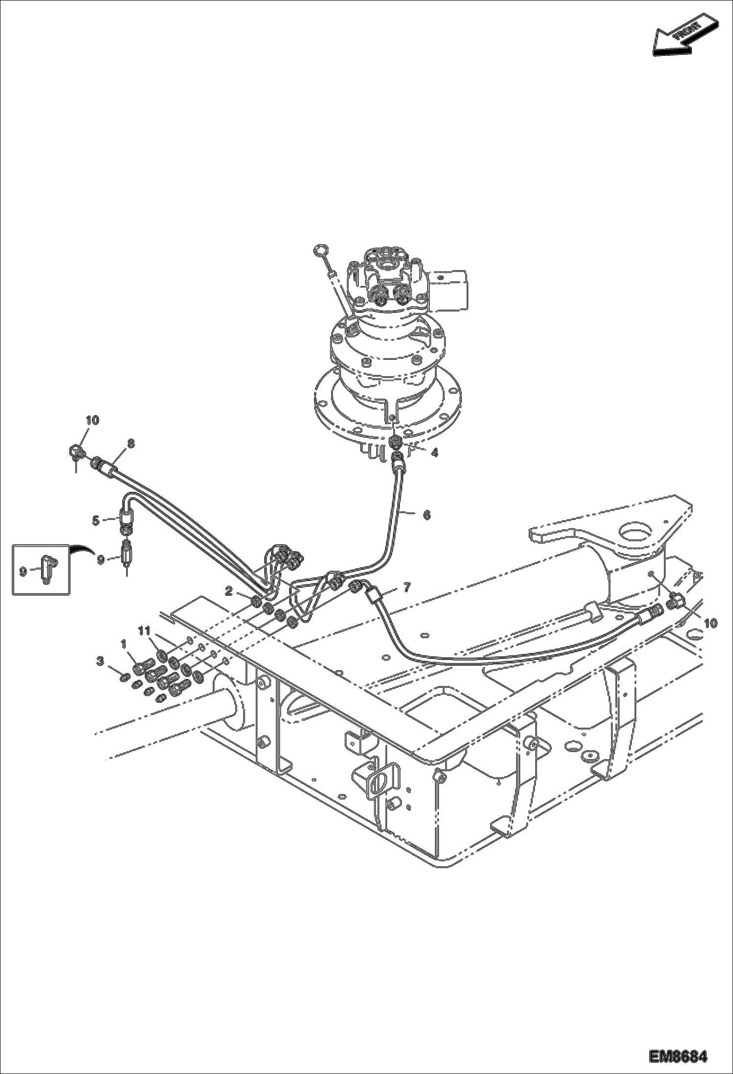
UPPERSTRUCTURE (Lubrication Piping)
№
Артикул
Название
Примечание
Количество
1
7003952
REDUCER
2
7003878
NUT
3
6694227
FITTING, GREASE Was 7010246 - C
4
7004669
ADAPTER
5
7005375
HOSE
6
7005355
7
8
7005315
HOSE, PF1/4-620L
9
7005557
ELBOW
7004670
10
7004705
11
7007819
WASHER, PLAIN
Выбрано товаров: 0