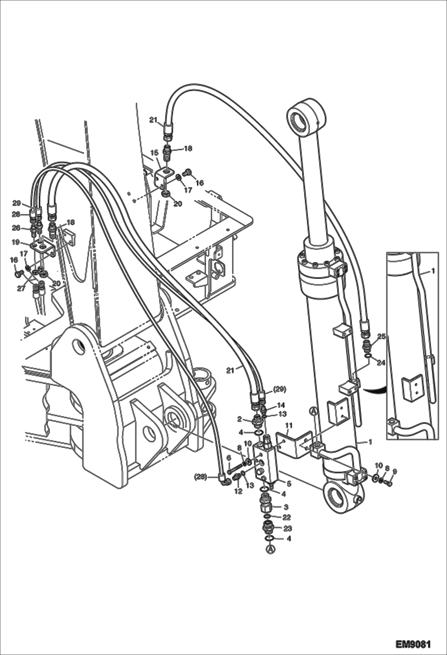
Запчасти Bobcat E80 HYDRAULIC CIRCUITRY (Boom) (Boom Cylinder) (Boom Load Holding Valve) HYDRAULIC SYSTEM

Схема запчастей Bobcat E80 - HYDRAULIC CIRCUITRY (Boom) (Boom Cylinder) (Boom Load Holding Valve) HYDRAULIC SYSTEM
FIT
1:1
100%

Артикул

Название

Примечание

Количество

1

CYLINDER, BOOM See Illustration BOOM CYLINDER/ EM6001 Was 7012246 - A

1

7027065

CYLINDER See Illustration BOOM CYLINDER/ EM6001 Was 7022860 - B

2

7004686

ADAPTER

3

7005552

ADAPTER

4

7007917

O-RING

5

7004980

VALVE LOCK

6

7007663

BOLT

8

7007834

WASHER SPRING

9

7007618

BOLT

10

7004470

WASHER PLAIN

11

7006146

BRACKET

12

7004683

ADAPTER

13

7007906

O-RING

14

7004683

ADAPTER

15

7005925

BRACKET LH

16

7007626

BOLT

17

7007835

WASHER SPRING

18

7003950

ADAPTER

19

7006753

BRACKET RH

20

7003876

NUT

21

HOSE, HYD NLA Was 7005501 - A

21

7015633

HOSE

22

7007960

O-RING

23

7004775

ADAPTER

24

7007911

O-RING

25

7004699

ADAPTER

26

7005567

ADAPTER

27

7003878

NUT

28

HOSE, HYD NLA Was 7005186 - A

28

7015634

HOSE

29

HOSE, HYD NLA Was 7005155 - A

29

7015635

HOSE

Выбрано товаров: 0