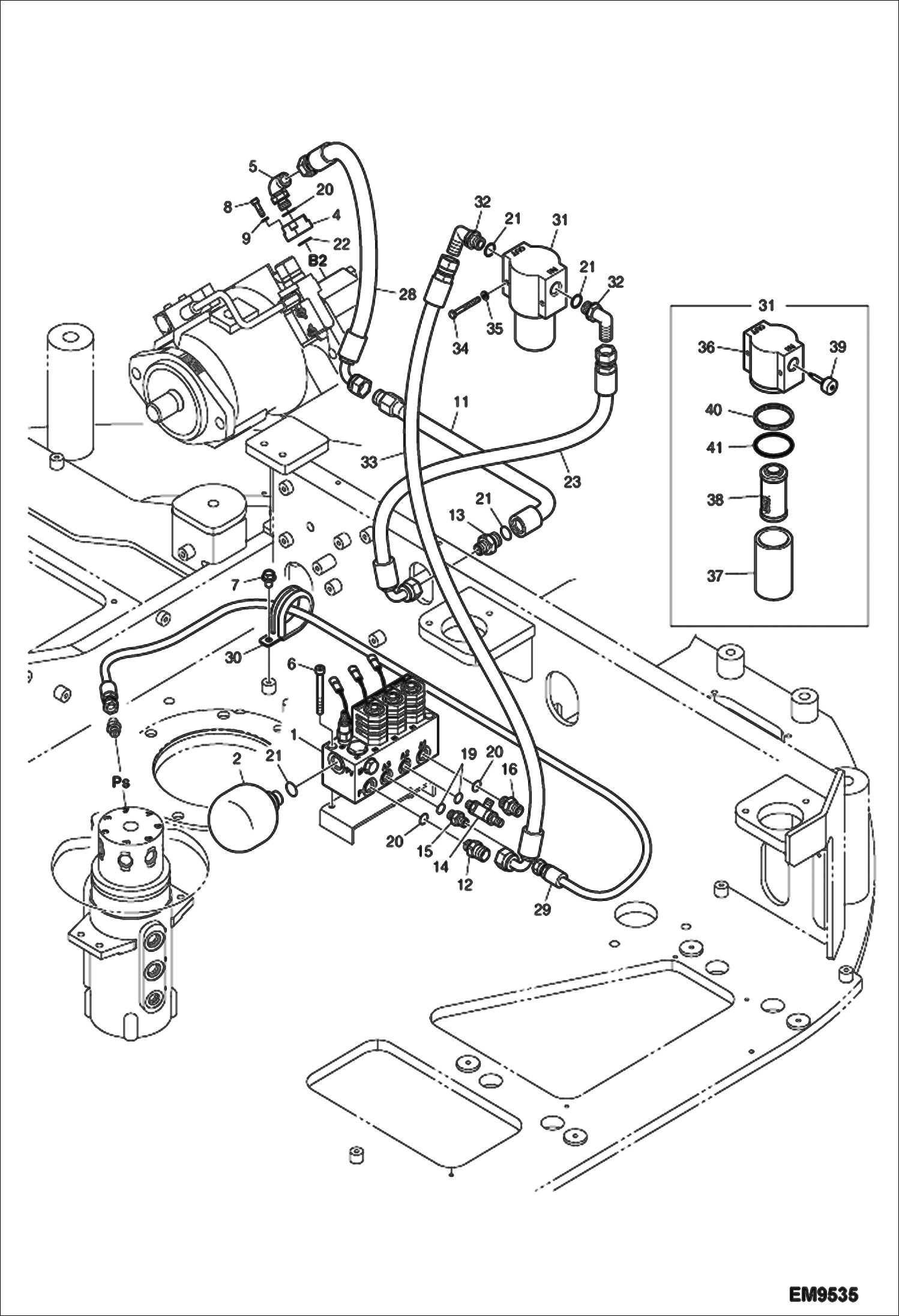
Запчасти Bobcat E80 HYDRAULIC CIRCUITRY (Manifold & Pump) (W/Pilot Filter) (S/N AET311882 & Above + AETB11882 & Above) HYDRAULIC SYSTEM

Схема запчастей Bobcat E80 - HYDRAULIC CIRCUITRY (Manifold & Pump) (W/Pilot Filter) (S/N AET311882 & Above + AETB11882 & Above) HYDRAULIC SYSTEM
FIT
1:1
100%

Артикул

Название

Примечание

Количество

1

ENGINE ASSY See Illustration MANIFOLD VALVE/ EM9542 Was 7024741 - B

2

7004876

ACCUMULATOR

4

7004985

BLOCK

5

7004709

ELBOW

6

7007743

BOLT

7

7005629

BOLT

8

7007724

BOLT

9

7008301

WASHER

11

7024224

TUBELINE, HYD

12

7004680

ADAPTER

13

7004699

ADAPTER

14

7003959

TEE SHUTTLE

15

7004683

ADAPTER

16

7004700

ADAPTER

19

7007906

O-RING

20

7007909

O-RING

21

7007911

O-RING

22

7007960

O-RING

23

7024742

HOSE HYDRAULIC ASSY

28

7005429

HOSE

29

7005473

HOSE

30

7003901

CLIP

31

7004880

FILTER PILOT Ref. 36-41

32

7004710

ELBOW

33

7024743

HOSE HYDRAULIC ASSY

34

7007653

BOLT

35

7007833

WASHER, SPRING

36

HEAD NLA - Order Ref. 31

37

7004881

HOUSING

38

7011915

FILTER, PILOT Was 7004879 - A

39

7004869

VALVE BYPASS

40

7008030

RING BACK-UP

41

7008029

O-RING

Выбрано товаров: 33