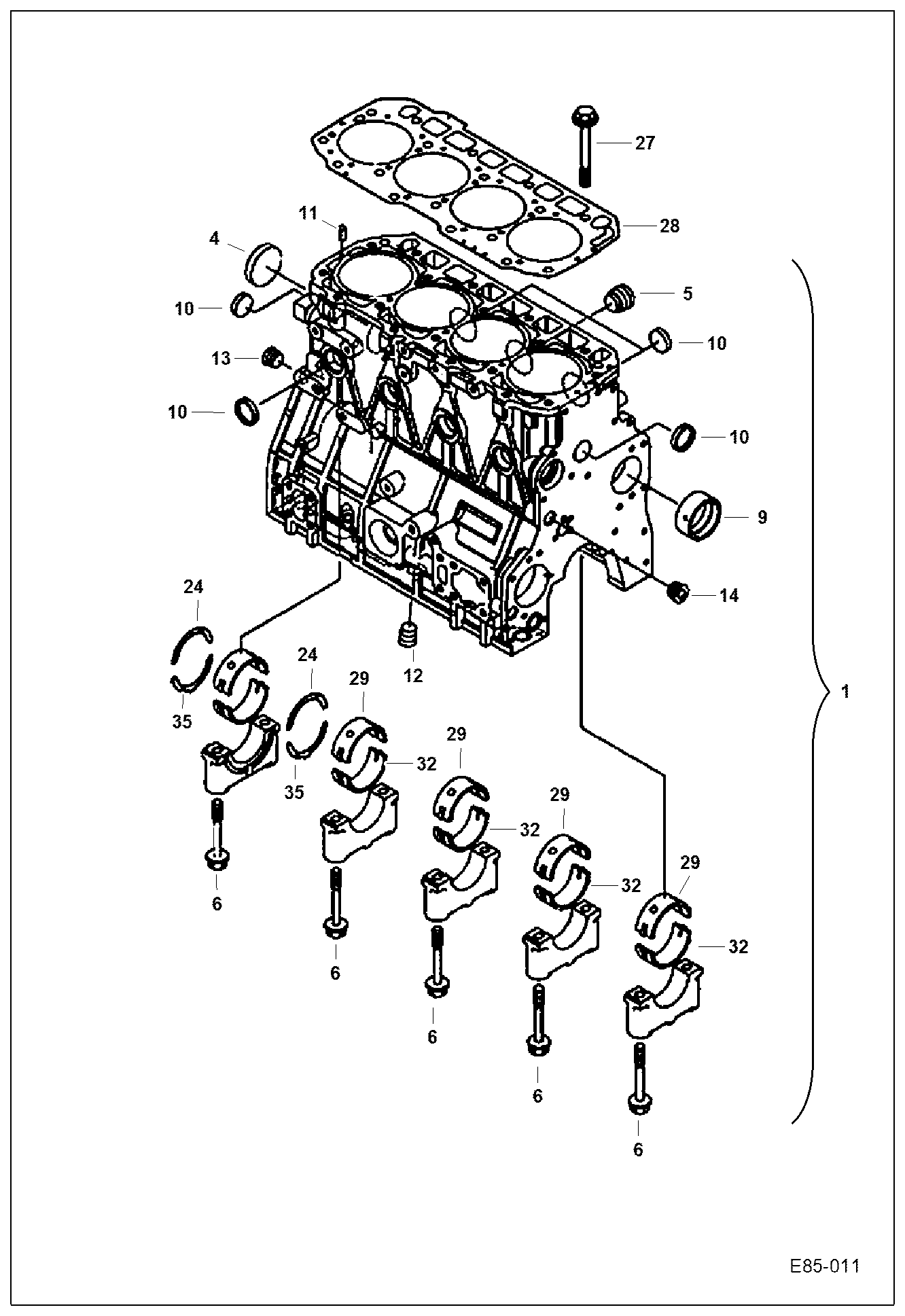
Запчасти Bobcat E85 CRANKCASE (Cylinder Block) POWER UNIT

Схема запчастей Bobcat E85 - CRANKCASE (Cylinder Block) POWER UNIT
FIT
1:1
100%

Артикул

Название

Примечание

Количество

1

7029369

BLOCK, ENG cylinder

4

7004296

PLUG

5

7004292

PLUG

6

7004085

BOLT

9

7004370

BUSHING CAMSHAFT

10

7004295

PLUG

11

7007860

PIN SPRING

12

7004674

PLUG PT3/8

13

7004674

PLUG PT3/8

14

7004674

PLUG PT3/8

24

7005090

WASHER THRUST STD

27

7005053

BOLT HEAD

28

7029042

GASKET, HEAD CYL

29

7005054

BEARING SET MAIN STD

32

7005091

BEARING MAIN 0.25

35

7005092

WASHER THRUST 0.25

Выбрано товаров: 16