Запчасти Bobcat E85 MANIFOLD (Exhaust) POWER UNIT

Схема запчастей Bobcat E85 - MANIFOLD (Exhaust) POWER UNIT
FIT
1:1
100%

Артикул

Название

Примечание

Количество

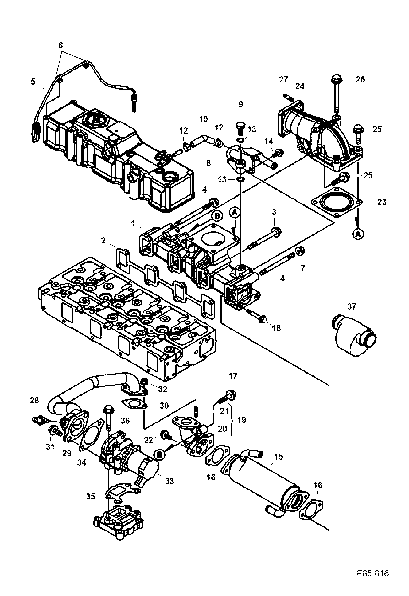
1

7029226

MANIFOLD, EXHAUST

2

7029047

GASKET, MANIFOLD EXHAUST

3

7028726

BOLT, FLANGE

4

7029434

STUD

5

7029383

SENSOR, EXH TEMP W/Ref. 6

6

7028880

CLAMP

7

7004161

NUT

8

7029273

PIPE, EXHAUST

9

7028717

BOLT

10

7028815

HOSE OIL Formed W/Ref. 12

12

7028911

CLIP, HOSE

13

7007181

GASKET

14

7004086

BOLT PLATED M8X16

15

7028929

COOLER, EGR

16

7029046

GASKET, EGR COOLER

17

7028725

BOLT, FLANGE

18

7028704

BOLT

19

7028692

PIPE, EGR W/Ref. 20,21

20

7028693

PIPE, EGR

21

7007101

STUD BOLT M8X20

22

7004087

BOLT PLATED M8X20

23

7029037

GASKET

24

7028825

PIPE, EXHAUST

25

7028725

BOLT, FLANGE

26

7028705

BOLT

27

7004095

BOLT M8X22

28

7029380

SENSOR, EGR GAS TEMP

29

7029266

TUBELINE

30

7007113

GASKET EGR TUBELINE

31

7028714

BOLT

32

7004160

NUT

33

7029479

VALVE, EGR

34

7029044

GASKET, EGR FLANGE

35

7029038

GASKET

36

7028706

BOLT

37

7004311

MUFFLER SILENCER INTAKE

Выбрано товаров: 36