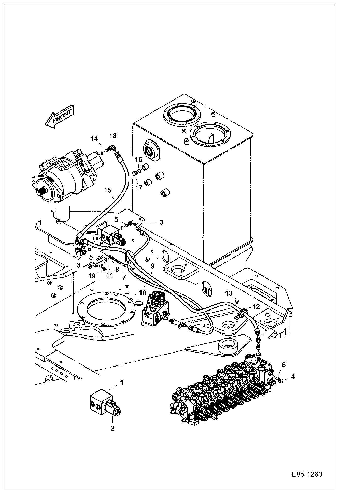
Запчасти Bobcat E85 HYDRAULIC CIRCUITRY (Pump to Valve) HYDRAULIC SYSTEM

Схема запчастей Bobcat E85 - HYDRAULIC CIRCUITRY (Pump to Valve) HYDRAULIC SYSTEM
FIT
1:1
100%

Артикул

Название

Примечание

Количество

1

7029485

VALVE, SOLENOID

2

7028916

COIL, SOLENOID

3

7004713

ELBOW

4

7004735

PLUG

5

7007906

O-RING

6

7007961

O-RING

7

7007667

BOLT

8

7007834

WASHER SPRING

9

7029149

HOSE, HYD

10

7029145

HOSE, HYD

11

7029493

WASHER

12

7003906

CLIP

13

7005629

BOLT

14

7010493

O-RING

15

7029159

HOSE, HYD

16

7007909

O-RING

17

7004734

PLUG

18

7004715

ELBOW

19

7005629

BOLT

Выбрано товаров: 19