Качественные детали и логистика
Оригинальные и аналоговые запчасти с доставкой по России, Казахстану и Беларуси
©2022 PartSell ООО "Система" ИНН 2463123282 ОГРН 1212400004838
Центральный офис: г. Красноярск, Академика Киренского, д.87, пом.4
Телефон: 8 (800) 777-65-74 Email: zakaz@partsell.ru
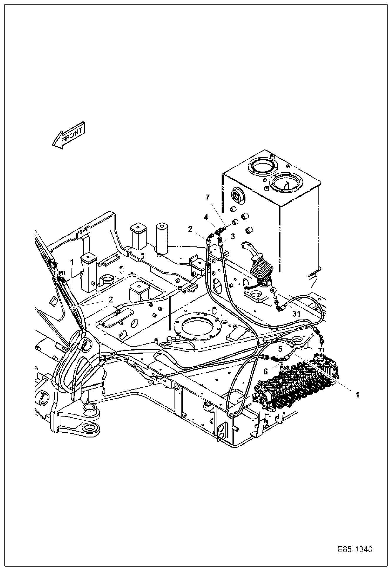
HYDRAULIC CIRCUITRY (LH Joystick & Arm Lock Valve)
№
Артикул
Название
Примечание
Количество
1
7029157
HOSE, HYD
2
7029160
3
7029148
4
7004746
TEE
5
7004750
6
7007961
O-RING
7
7007909
31
7029153
Выбрано товаров: 0