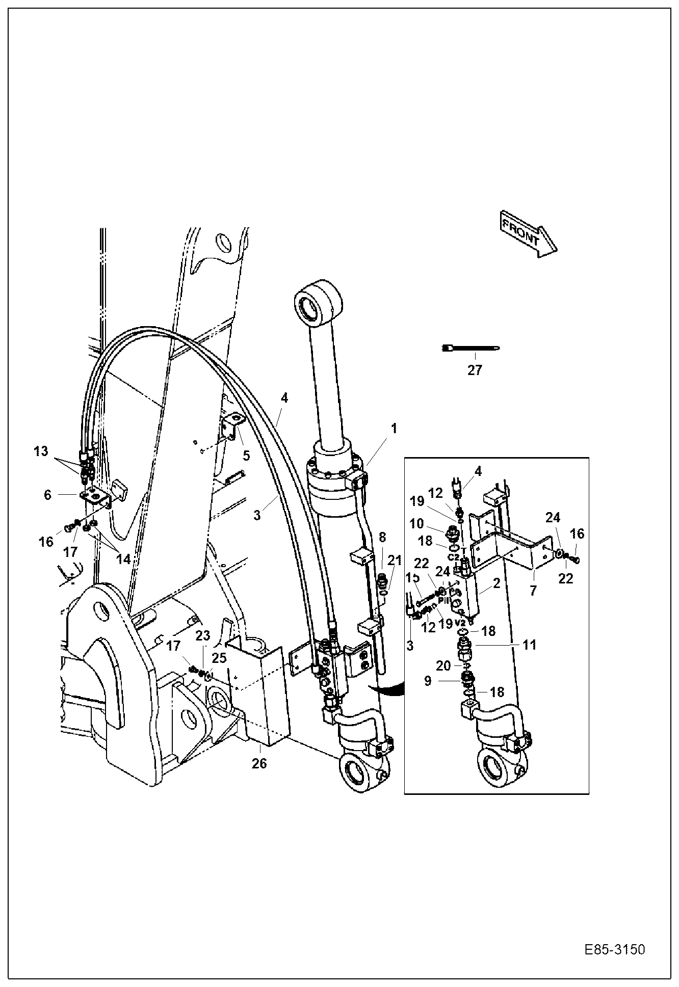
Запчасти Bobcat E85 HYDRAULIC CIRCUITRY (Boom Load Holding Valve) HYDRAULIC SYSTEM

Схема запчастей Bobcat E85 - HYDRAULIC CIRCUITRY (Boom Load Holding Valve) HYDRAULIC SYSTEM
FIT
1:1
100%

Артикул

Название

Примечание

Количество

1

7028984

CYLINDER, BOOM

2

7028851

VALVE, LOCK

3

7029119

HOSE, HYD

4

7029115

HOSE, HYD

5

7028740

BRACKET

6

7028741

BRACKET

7

7028753

BRACKET

8

7004699

ADAPTER

9

7004775

ADAPTER

10

7028669

ADAPTER

11

7028670

ADAPTER

12

7004683

ADAPTER

13

7005567

ADAPTER

14

7003878

NUT

15

7007660

BOLT

16

7007618

BOLT

17

7007626

BOLT

18

7007917

O-RING

19

7007906

O-RING

20

7007960

O-RING

21

7007911

O-RING

22

7007834

WASHER SPRING

23

7007835

WASHER SPRING

24

7004470

WASHER PLAIN

25

7029531

WASHER

26

7028953

COVER

27

7028906

STRAP, TIE

Выбрано товаров: 27