Качественные детали и логистика
Оригинальные и аналоговые запчасти с доставкой по России, Казахстану и Беларуси
©2022 PartSell ООО "Система" ИНН 2463123282 ОГРН 1212400004838
Центральный офис: г. Красноярск, Академика Киренского, д.87, пом.4
Телефон: 8 (800) 777-65-74 Email: zakaz@partsell.ru
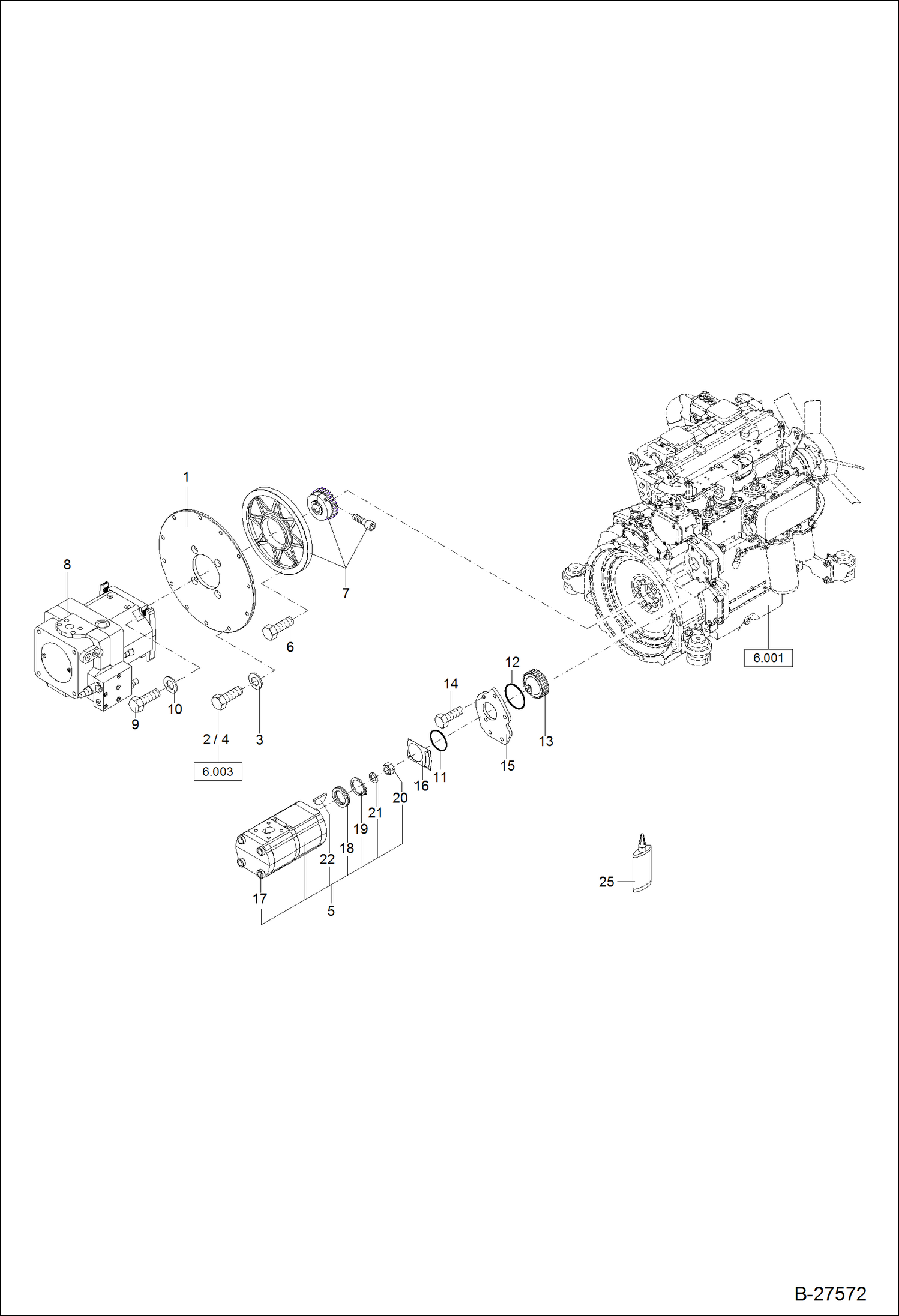
PUMP ASSEMBLY
№
Артикул
Название
Примечание
Количество
1
6209517104
PUMP FLANGE
2
1008707623
BOLT
3
1343707059
WASHER
4
1008707124
5
5100620019
GEAR TYPE PUMP W/Ref. 17-22
6
1008707324
7
5067658954
CLUTCH
8
5364662455
VARIAB. DISPL. PUMP
9
1011907357
10
0330010002
11
1971956107
O-RING
12
1970956552
13
5411663851
COUPLER Was 5411656602 - A
14
5411657409
15
FLANGE Was 5411657938 - A
16
5411586626
SEAL
17
5100659044
18
5100659033
SHAFT SEAL
19
5100659034
CIRCLIP
20
5100659043
NUT
21
1334707022
22
5100659045
KEY
25
MCS001035A
GLUE
Выбрано товаров: 0