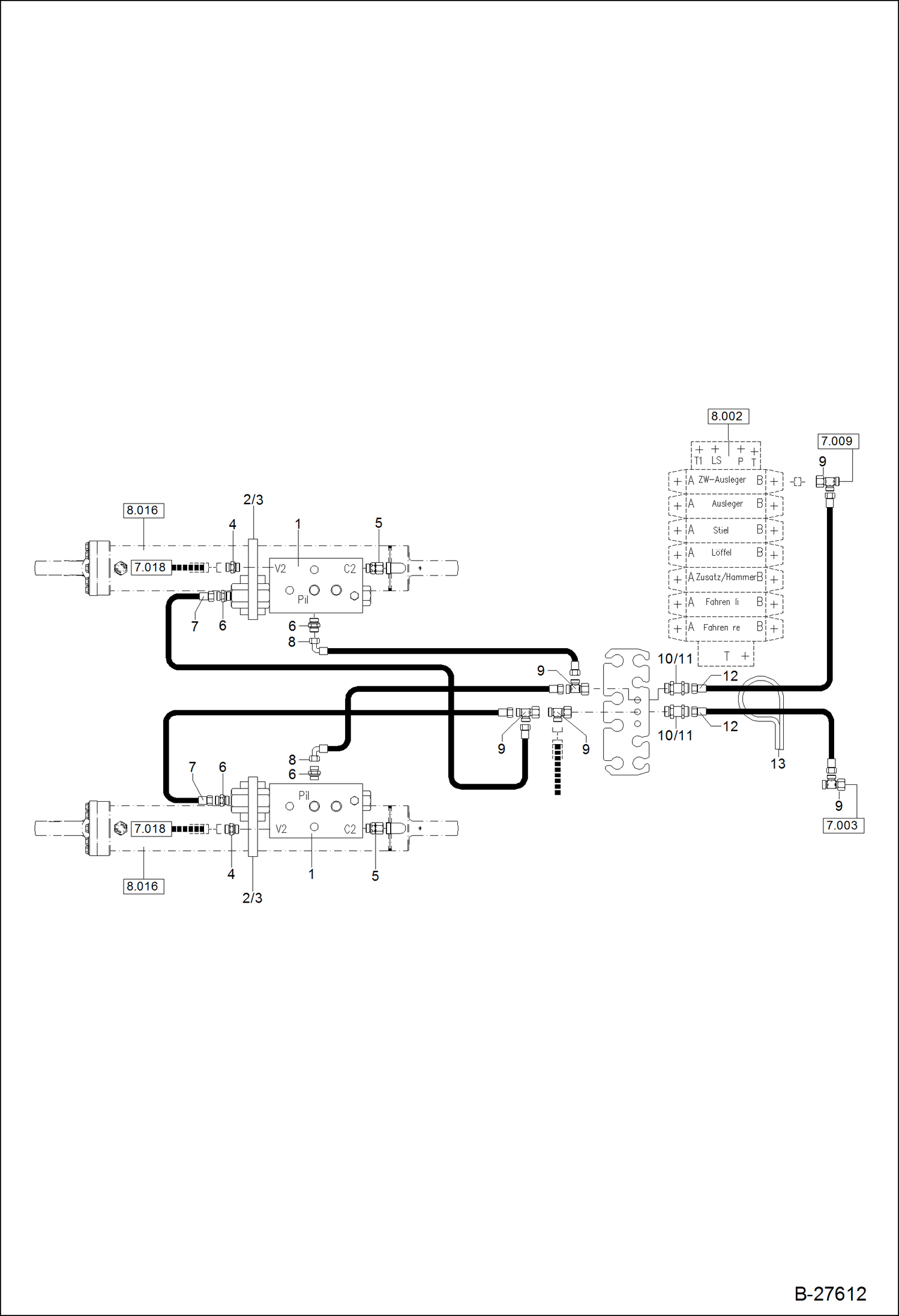
Запчасти Bobcat ZX125 HYDRAULIC INSTALLATION LOAD HOLDING VALVE - INTERMEDIATE BOOM - ARTICULAT HYDRAULIC SYSTEM

Схема запчастей Bobcat ZX125 - HYDRAULIC INSTALLATION LOAD HOLDING VALVE - INTERMEDIATE BOOM - ARTICULAT HYDRAULIC SYSTEM
FIT
1:1
100%

Артикул

Название

Примечание

Количество

1

5167659858

LOAD CHECK VALVE

2

5660095400

HOSE CLIP

3

0110012050

RUBBER LAYER

4

1915060478

FITTING

5

1938060179

FITTING

6

1915060255

FITTING

7

4506152356

HOSE

8

4506165351

HOSE

9

1919060351

FITTING

10

1913060151

FITTING

11

1290707025

WASHER

12

4506340240

HOSE

13

5000210400

HOSE CLIP

Выбрано товаров: 13