Качественные детали и логистика
Оригинальные и аналоговые запчасти с доставкой по России, Казахстану и Беларуси
©2022 PartSell ООО "Система" ИНН 2463123282 ОГРН 1212400004838
Центральный офис: г. Красноярск, Академика Киренского, д.87, пом.4
Телефон: 8 (800) 777-65-74 Email: zakaz@partsell.ru
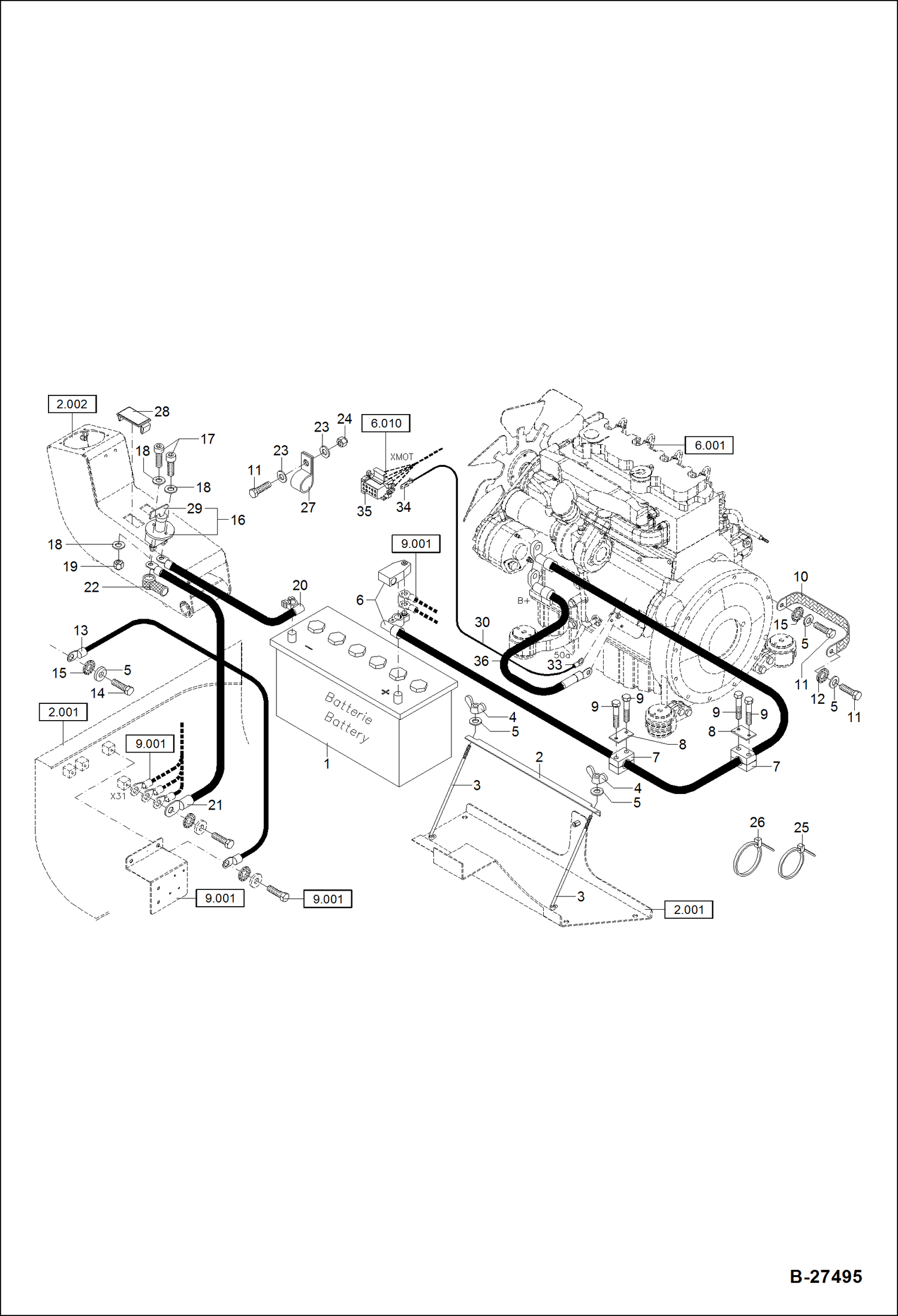
ELECTRIC INSTALLATION - UPPER CARRIAGE S/N XXXX/2710 & Abv
№
Артикул
Название
Примечание
Количество
1
5159650932
BATTERY
2
0331411006
ANGLE Was 6331411006 - A
3
0331411005
STUD
4
1245707011
WING NUT M 8
5
1343707057
WASHER 8,4
6
0234007034
BATTERY CABLE
7
5660199615
HOSE CLIP
8
5660200122
COVER PLATE
9
1007707813
BOLT M 6X35
10
5653246930
EARTH CABLE 300MM
11
1008707018
BOLT M 8X20
12
1327707022
TOOTHED LOCK WASHER 12,5
13
0073657067
CABLE, GROUND 500MM
14
1008707817
BOLT M 8X12
15
1327707018
TOOTHED LOCK WASHER 8,4
16
5522655660
SWITCH INTERRUPTER W/Ref. 29
17
1045707213
BOLT M 6X20
18
1290707014
WASHER 6,4
19
1212251009
NUT M 6
20
0190007135
21
0190007136
CABLE, GROUND
22
5050580450
RUBBER
23
1290707018
24
1212251011
NUT M 8
25
5653093560
BINDER 4,8X200
26
5350650280
BINDER 7,8X290
27
5000136800
HOSE CLIP 19,0
28
5050650230
COVER
29
5522655651
KEY INTERRUPTER
30
0234007180
HARNESS, WIRE MOTOR - W/Ref. 33, 34
33
5350246820
CABLE CONNECTOR 2,5? M 5
34
5350249695
MAL TERMINAL
35
5350249691
CONNECTOR MALE 8-FACH
36
0234015065
CABLE
Выбрано товаров: 0