Запчасти Bobcat ZX75 ENGINE ASSEMBLY XXXX/2613 & Abv; + 2420;2445; 2446; 2565-2569; 2575; 2577; 2578; 2581-2585; 2587; 2588; 2420; 2445; 2446; 2565-2569; 2575; 2577; 2578; 2581-2585; E3868 POWER UNIT

Схема запчастей Bobcat ZX75 - ENGINE ASSEMBLY XXXX/2613 & Abv; + 2420;2445; 2446; 2565-2569; 2575; 2577; 2578; 2581-2585; 2587; 2588; 2420; 2445; 2446; 2565-2569; 2575; 2577; 2578; 2581-2585; E3868 POWER UNIT
FIT
1:1
100%

Артикул

Название

Примечание

Количество

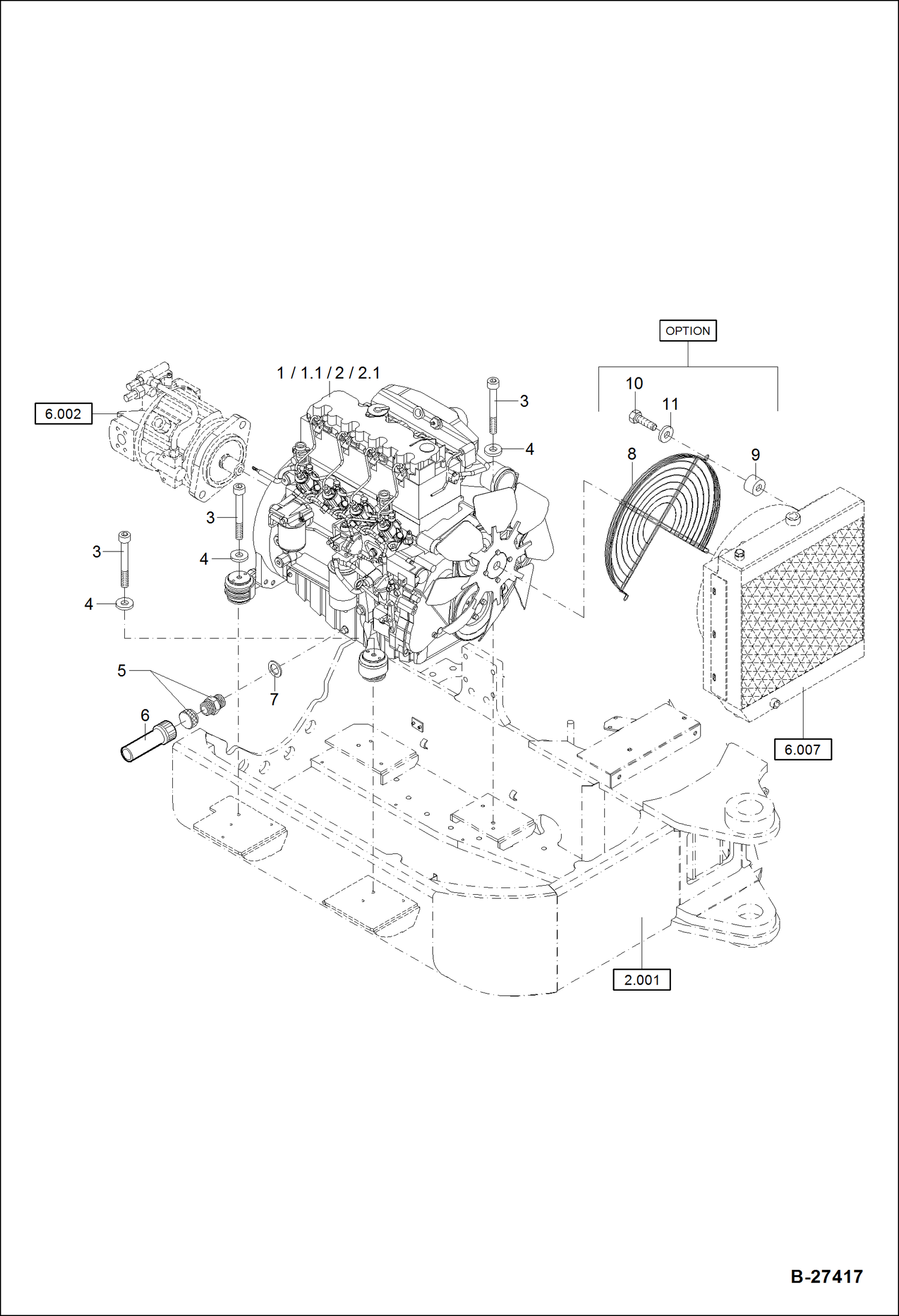
1

5411662262

ENGINE

1

ENGINE, TEREX 442 NLA - Was 5411662265 - A

2

5411662230

ENGINE

2

6234388000

ENGINE

3

1045707631

BOLT M 12X100

4

1343707061

WASHER 13X30X6

5

5366654555

DRAIN PLUG

6

5366654556

HOSE, DRAIN

7

5411656336

SEAL

8

5619001003

FAN PROTECTION

9

0156001065

SPACER

10

1008707618

BOLT M 8X30

11

1290707018

WASHER 8,4

Выбрано товаров: 0