Качественные детали и логистика
Оригинальные и аналоговые запчасти с доставкой по России, Казахстану и Беларуси
©2022 PartSell ООО "Система" ИНН 2463123282 ОГРН 1212400004838
Центральный офис: г. Красноярск, Академика Киренского, д.87, пом.4
Телефон: 8 (800) 777-65-74 Email: zakaz@partsell.ru
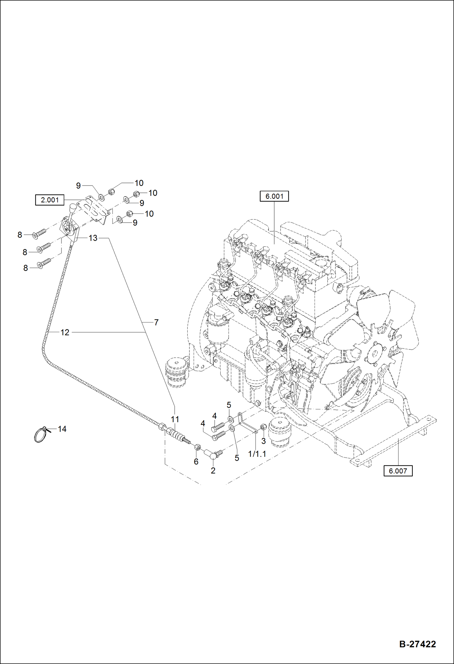
ACCELERATOR
№
Артикул
Название
Примечание
Количество
1
6234015025
LEVER
6234015027
2
1798707102
ANGLE JOINT AS10 M 6
3
1212251009
NUT M 6
4
1008707213
BOLT M 6X20
5
1290707014
WASHER 6,4
6
1210707009
7
5692657845
HAND-PEDAL ACCEL. L=4400 - W/Ref. 11-15 & 51
8
1066707407
SCREW M 4X25
9
1290707010
WASHER 4,3
10
1212251006
NUT M 4
11
5692657866
EXPANSION BELLOWS
12
5692657885
FLEXIBLE GAS LINE L=4400
13
5692657926
LEVER Was 5692657861 - A
14
5350650294
BINDER 2,5X142
Выбрано товаров: 0