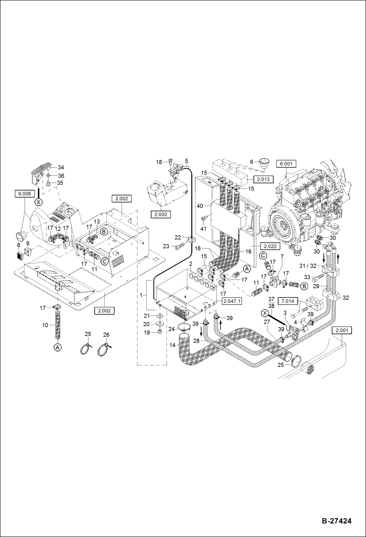
Запчасти Bobcat ZX75 HEATING S/N XXXX/1632 & Abv XXXX/2841 POWER UNIT

Схема запчастей Bobcat ZX75 - HEATING S/N XXXX/1632 & Abv XXXX/2841 POWER UNIT
FIT
1:1
100%

Артикул

Название

Примечание

Количество

1

5436662079

HEATING CMPL 12V - Ref. 2-9

2

5436662075

HEATING BOX

3

5436662051

HEATER VALVE

4

5436662053

CLAMP

5

5436662052

FAN CNTRL ASSY

6

5436662069

LOUVER

7

5436662071

ADAPTER

8

5436662056

LOUVER

9

5436662057

ADAPTER

10

5367628915

HOSE 42X1700

11

5367628909

HOSE 42X750

12

5367628919

HOSE 42X320

13

5367628921

HOSE 42X500

14

5367628917

HOSE 100X700

15

5660201006

CLAMP 50-70

16

5367628923

HOSE 60X650

17

5603320394

CLAMP 32-50

18

1087707009

SCREW 2,2X9,5

19

1212251011

NUT M 8

20

1307707018

WASHER 8,4

21

1343707057

WASHER 8,4

22

5603330001

CLAMP 106

23

1045707213

BOLT M 6X20

24

5660095500

CLAMP 90-110

25

5653093560

BINDER 4,8X200

26

5350650280

BINDER 7,8X360

27

0234018010

HOSE

28

4116340116

HOSE

29

4116315116

HOSE

30

1915060565

ADAPTER

31

5660200230

COVER PLATE

32

5660199783

CLIP

33

1007707319

BOLT M 8X45

34

5388662385

REGULATOR

35

1090707742

SCREW 5,5X13

36

1307707012

WASHER 5,3

37

5388662389

BOWDEN CABLE

38

1290707012

WASHER 5,3

39

5660200090

CLAMP 16-25

40

6234006160

CONSOLE

41

1087707324

SCREW 3.5X16

Выбрано товаров: 41