Качественные детали и логистика
Оригинальные и аналоговые запчасти с доставкой по России, Казахстану и Беларуси
©2022 PartSell ООО "Система" ИНН 2463123282 ОГРН 1212400004838
Центральный офис: г. Красноярск, Академика Киренского, д.87, пом.4
Телефон: 8 (800) 777-65-74 Email: zakaz@partsell.ru
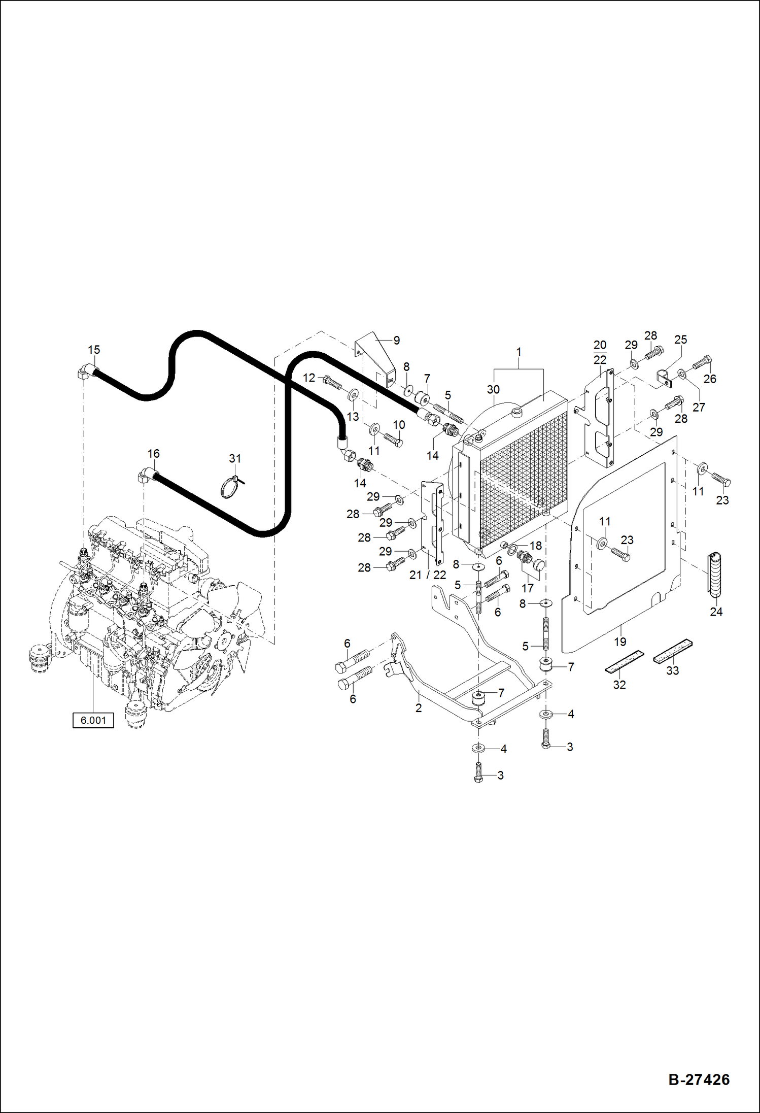
COMBINED OIL COOLER
№
Артикул
Название
Примечание
Количество
1
5010672001
EXCHANGER, OIL COOLER W/Ref. 27-29
2
0234015155
BRACKET
3
1008707923
BOLT M 10X25
4
1307707020
WASHER 10,5
5
1133341623
STUD M 10X20
6
1007707436
BOLT M 14X60
7
BEARING NLA - Was 5101290966 - A
8
1299707020
WASHER 10,5X40X2
9
6234015040
MOUNT
10
1008707817
BOLT M 8X16
11
1343707057
WASHER 8,4
12
1008707423
BOLT M 10X16
13
1343707059
WASHER 10,5X25X4
14
1915060567
FITTING
15
4801107215
HOSE
16
4801040407
17
5366654555
DRAIN PLUG
18
1636815857
O-RING 18X24X1,5
19
8234006044
COVER Was 6234006044 - A
20
6234006045
21
8234006046
MOUNT Was 6234006046 - A
22
1940707011
NUT M 8
23
1008707318
BOLT M 8X25
24
7025098
SEAL, BULK/MTR - A
25
5000210463
HOSE CLIP 30,2
26
1008707018
BOLT M 8X20
27
1290707018
28
1008707912
BOLT M6X16
29
1343707055
WASHER 6,4
30
5010663058
COVER
31
5350650294
BINDER 2,5X142
32
5354640125
NEOPRENE STRIP 15X2
33
5354640128
NEOPRENE STRIP 15X10
Выбрано товаров: 0