Запчасти Bobcat ZX75 ENGINE PARTS - PART 1 S/N XXXX/2612 & Bel POWER UNIT

Схема запчастей Bobcat ZX75 - ENGINE PARTS - PART 1 S/N XXXX/2612 & Bel POWER UNIT
FIT
1:1
100%

Артикул

Название

Примечание

Количество

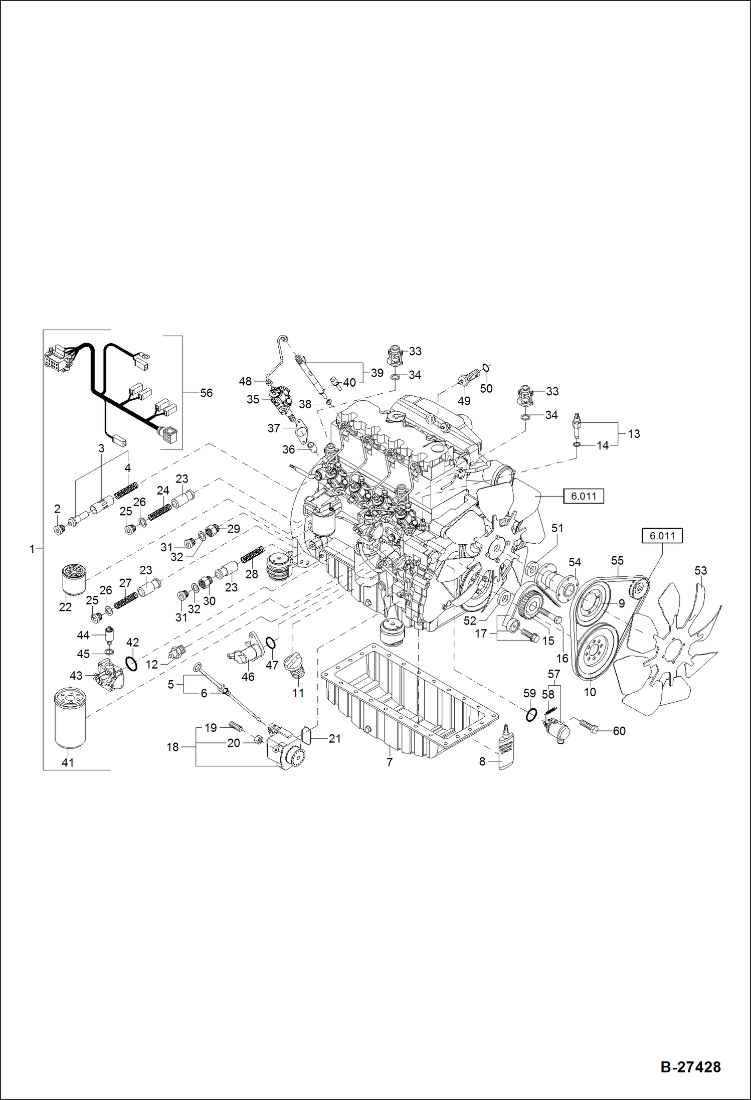
1

5411662230

ENGINE

2

COVER NLA

3

5411664959

THERMOSTAT W/Ref. 4 - Was 5411657981 - A

4

SPRING NLA

5

5411657084

OIL STICK W/Ref. 6

6

5411657129

O-SEAL

7

5411657085

OIL PAN

8

5411656992

PACKING COMPOUND

9

5411657026

PULLEY, DRIVE

10

5411663445

PULLEY USA

11

5411657927

FILLER CAP

12

5411663213

OIL PRESSURE SWITCH

13

5411663850

TEMP. TRANSMITTER W/Ref. 14 - Was 5411657870 - A

14

5411656884

SEAL RING

15

PULLEY NLA

16

BOLT NLA

17

5411657858

REPAIR KIT ZAHNRIEMEN

18

PUMP, OIL NLA - W/Ref. 19,20

19

STUD NLA

20

5411657266

VIS

21

5411657861

SEAL RING

22

5411642211

OIL FILTER ENGINE

23

VALVE NLA

24

SPRING NLA

25

COVER NLA

26

RING, SEAL NLA

27

SPRING NLA

28

SPRING NLA

29

FITTING, ADAPTER NLA

30

FITTING, ADAPTER NLA

31

COVER NLA

32

5411657373

SEAL RING

33

FLANGE, WATER NLA

34

RING, SEAL NLA

35

PUMP, INJ NLA

36

TAPPER, ROLLER NLA

37

GASKET NLA

38

RING, SEAL NLA

39

INJECTOR NLA - W/Ref. 40

40

NOZZLE, INJ NLA

41

5411656301

FUEL FILTER

42

O-RING NLA

43

BOOST CONTROL NLA

44

5411657882

SOLENOID

45

5411657982

SEAL RING

46

5411663652

FUEL PUMP Was 5411657855

47

5411663245

O-RING

48

5411663042

INJECTION PIPE

49

5411656283

GLOW PLUG

50

5411657049

SEAL RING

51

SEAL, SHAFT NLA

52

SEAL, SHAFT NLA

53

5411657091

COOLING FAN

54

5411657177

FAN SUPPORT

55

5411657150

V-BELT 10X1075

56

HARNESS NLA

57

5411664378

ENGINE SHUT OFF W/Ref. 58 - Was 5411663643 - A

58

SPRING NLA

59

5411657871

O-SEAL

60

BOLT NLA

Выбрано товаров: 60