Качественные детали и логистика
Оригинальные и аналоговые запчасти с доставкой по России, Казахстану и Беларуси
©2022 PartSell ООО "Система" ИНН 2463123282 ОГРН 1212400004838
Центральный офис: г. Красноярск, Академика Киренского, д.87, пом.4
Телефон: 8 (800) 777-65-74 Email: zakaz@partsell.ru
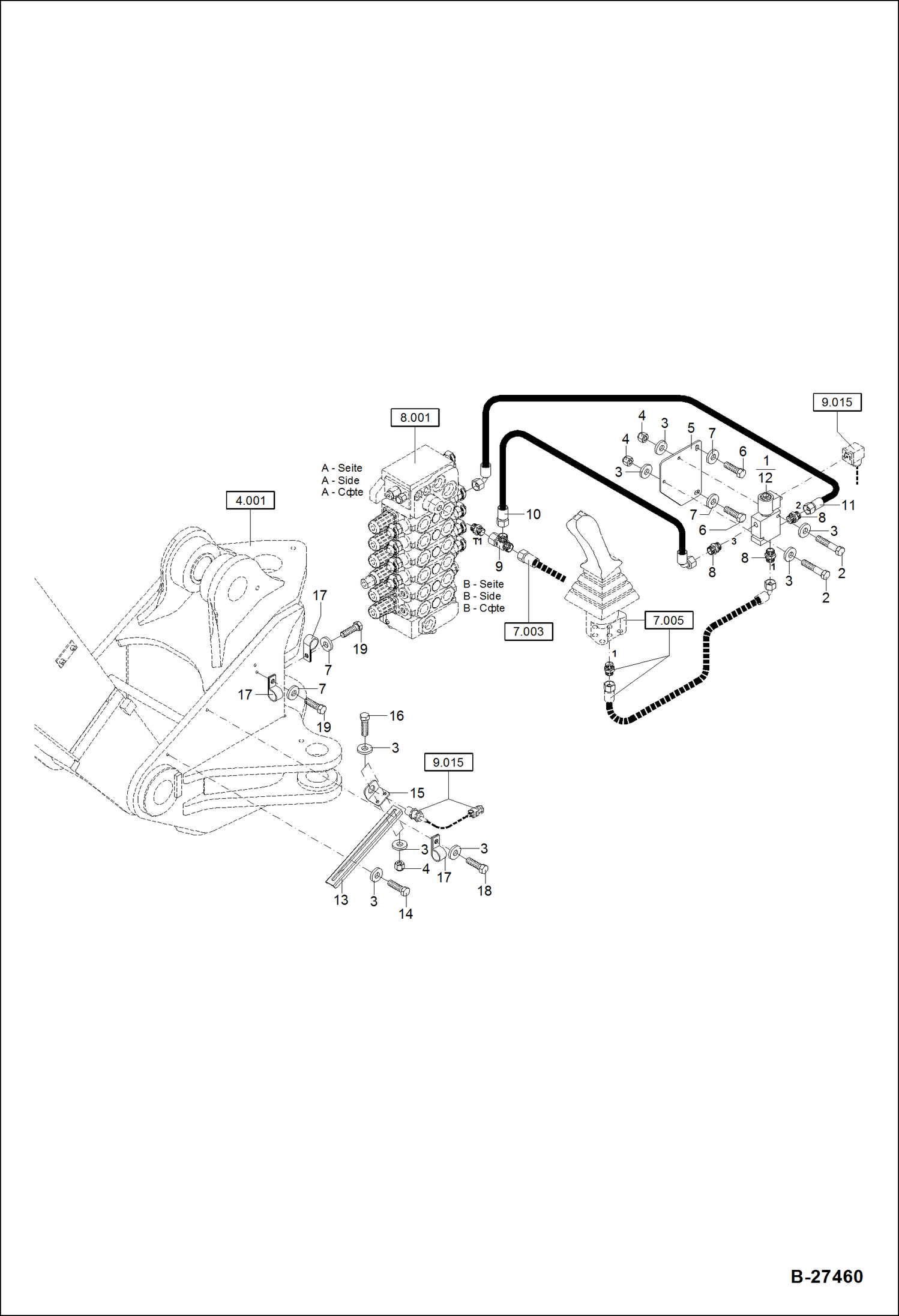
HYDRAULIC INSTALLATION - BOOM HIGHT LIMITATION Mono Boom - New Version
№
Артикул
Название
Примечание
Количество
1
5320001001
CONTROL VALVE W/Ref. 12
2
1007707514
BOLT M 6X60
3
1343707055
WASHER 6,4
4
1212251009
NUT M 6
5
6190241017
MOUNTING PLATE
6
1008707018
BOLT M 8X20
7
1343707057
WASHER 8,4
8
1915060255
FITTING
9
1919060351
10
4256033371
HOSE, HYD Was 4506033351 - A
11
4506115351
HOSE ASSEMBLY CPL.
12
5320001002
SOLENOID CARTRIDGE
13
6190241015
BRACKET
14
1008707612
BOLT M 6X12
15
6190241016
ANGLE
16
1008707213
BOLT M 6X20
17
5000136710
HOSE CLIP
18
1008707912
BOLT M 6X16
19
1008707517
BOLT M 8X12
Выбрано товаров: 0