Качественные детали и логистика
Оригинальные и аналоговые запчасти с доставкой по России, Казахстану и Беларуси
©2022 PartSell ООО "Система" ИНН 2463123282 ОГРН 1212400004838
Центральный офис: г. Красноярск, Академика Киренского, д.87, пом.4
Телефон: 8 (800) 777-65-74 Email: zakaz@partsell.ru
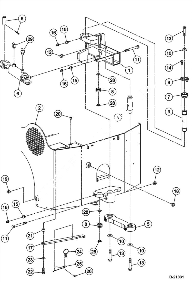
MAIN FRAME
№
Артикул
Название
Примечание
Количество
1
IR13167739
REAR FRAME
2
IR13159272
FRONT FRAME
IR13322474
3
IR59265975
PIN
4
IR59265991
5
SWIVEL LINK ASSEMBLY See Illustration SWIVEL LINK ASSEMBLY/ B21832
6
IR59269555
Cylinder steering
IR54505821
Nut
IR54505862
Retaining Ring
IR13444005
PIN, CLEVIS
IR13444013
PIN clevis
IR54505888
Seal Kit
IR54505854
Cotter Pin
7
IR50268127
BEARING
8
IR50275445
Bearing
9
IR59180646
LOCKPLATE
10
IR59180992
CAP
11
IR96713474
BOLT Was IR96704739 - A
12
IR96712807
LOCKNUT Was IR96704614 - A
13
IR96705066
BOLT
14
IR96702816
15
IR95201547
GREASE FITTING
16
IR50270248
Cap
17
IR59214437
LOCKBAR
18
IR59121954
Sight Plug
19
IR95263190
Pipe Plug
20
IR59093351
FILTER filtered breather vent
21
IR59214585
BUSHING
22
IR96702287
23
IR96712898
WASHER Was IR96741046 - A
24
IR59214270
Hitch Pin
25
IR59436741
CABLE
26
IR59214775
SLEEVE cable
28
IR59258079
SPACER
29
IR95363339
Elbow
Выбрано товаров: 0