Запчасти Bobcat BCA12 HOOD & TRIM INSTALLATION MAIN FRAME

Схема запчастей Bobcat BCA12 - HOOD & TRIM INSTALLATION MAIN FRAME
FIT
1:1
100%

Артикул

Название

Примечание

Количество

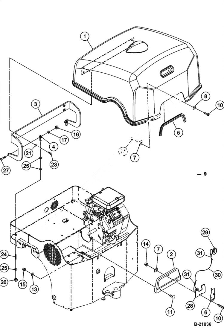
1

IR13274964

HOOD Was IR13167135 - D

2

IR13298310

HOOD PANEL Was IR13187125 - D

3

IR59258574

Hood Hinge

4

IR59274803

Rod End

5

IR54675723

Seal Trim

6

IR13233242

LATCH hood - Was IR59259010 - D

7

IR13236799

BACKING PLATE Was IR59259150 - D

8

IR13236831

KEEPER LATCH Was IR59259127 - D

9

IR59259143

Backing Plate not shown

10

IR59266726

BOLT

11

IR96719224

BOLT

13

IR96712898

WASHER Was IR96741038 - A

14

IR96704580

LOCKNUT

15

IR96704606

NUT

16

IR95922894

Nut

17

IR96714308

WASHER Was IR96741046 - A

21

IR96712674

Washer

23

IR96702659

BOLT

24

IR54651575

THREADED STUD

25

IR96711833

washer

26

IR59329649

Nut

27

IR95919254

BOLT

28

IR13297775

TETHER PLATE hood cable plate

29

IR13298286

PIN lynch

30

IR59436741

CABLE hood

31

IR59214775

SLEEVE cable

Выбрано товаров: 26