Запчасти Bobcat BCA12 FRONT DRUM ASSEMBLY DRUM

Схема запчастей Bobcat BCA12 - FRONT DRUM ASSEMBLY DRUM
FIT
1:1
100%

Артикул

Название

Примечание

Количество

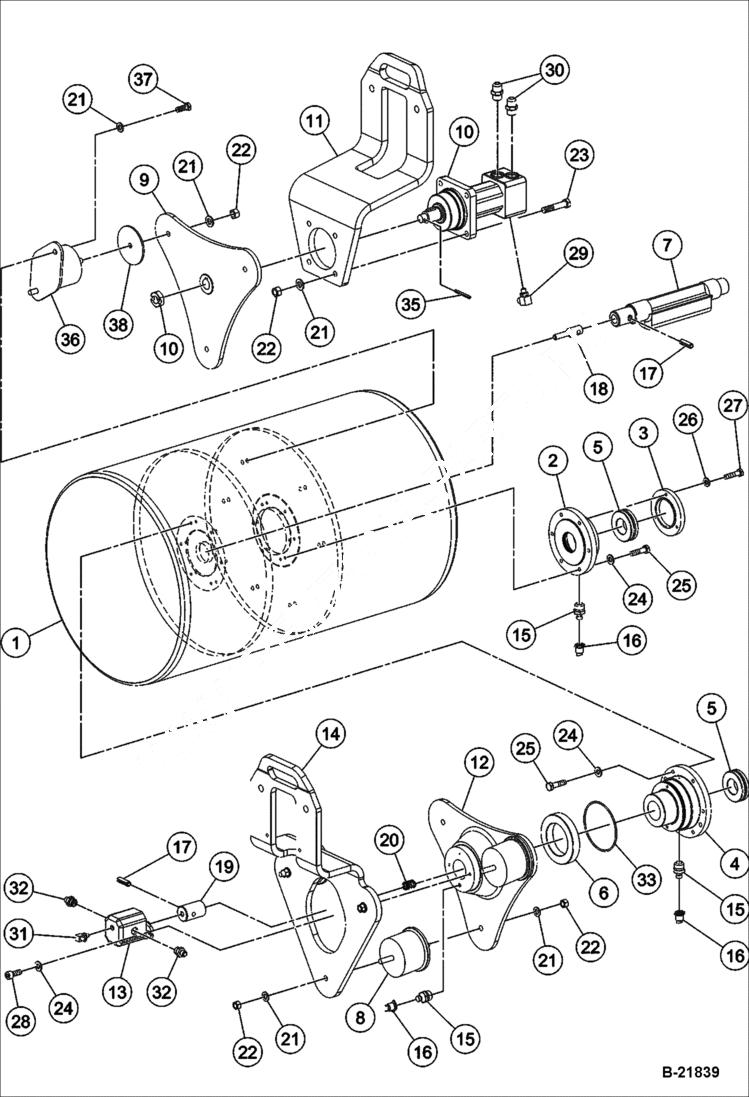
1

IR13166566

Front Drum

2

IR59183285

BEARING HSG eccentric bearing - propulsion

3

IR59275867

Cover Plate eccentric bearing

4

IR13166541

Housing eccentric bearing - vibration

5

IR59211623

Bearing eccentric

6

IR59211615

Bearing carrier

7

IR59211417

Shaft eccentric

8

IR59211367

ISOLATOR

9

IR59273409

Drive Plate front

10

IR54596648

Drive Motor See Illustration DRIVE MOTOR/ B21883

11

IR59273235

Mounting drum leg - drive side

12

IR13166558

Mounting Plate vibration

13

IR59173526

Motor vibration

13

IR54507231

SEAL KIT

14

IR59271510

Drum Leg vibration

15

IR95201547

GREASE FITTING

16

IR50270248

Cap

17

IR96737135

SPRING PIN slotted

18

IR59173518

SPLINE SHAFT

19

IR59173534

Coupling eccentric shaft

20

IR59211458

Spring eccentric coupling

21

IR96738596

washer

22

IR96704291

Nut

23

IR96705066

BOLT

24

IR96712898

WASHER Was IR96741038 - A

25

IR96705587

BOLT

26

IR96741053

WASHER

27

IR96714258

SCREW Was IR96701461 - A

28

IR96708052

BOLT

29

IR95653614

Adapter

30

IR95303384

Adapter

31

IR95341665

Adapter

32

IR95356903

Adapter straight

33

IR95026498

O-RING

35

IR96733241

Roll Pin

36

IR54671524

ISOLATOR

37

IR96702311

BOLT

38

IR13366059

SPACER

Выбрано товаров: 38