Качественные детали и логистика
Оригинальные и аналоговые запчасти с доставкой по России, Казахстану и Беларуси
©2022 PartSell ООО "Система" ИНН 2463123282 ОГРН 1212400004838
Центральный офис: г. Красноярск, Академика Киренского, д.87, пом.4
Телефон: 8 (800) 777-65-74 Email: zakaz@partsell.ru
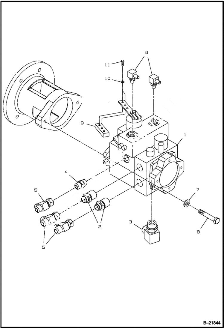
PROPULSION PUMP ASSEMBLY
№
Артикул
Название
Примечание
Количество
1
IR54747449
Pump See Illustration PROPULSION PUMP/ B21884 - propulsion
2
IR95357570
ADAPTER
3
IR95280186
Elbow 90 degree
4
IR95303368
5
IR95416731
TEE SWIVEL
6
IR95329975
Adapter
7
IR96738596
washer
8
IR96740253
BOLT
9
IR13185947
Lever propulsion
10
IR96712898
WASHER Was IR96741038 - A
11
IR96702824
Выбрано товаров: 0