Запчасти Bobcat BCA12 OPERATORS PLATFORM INSTALLATION CONSOLE

Схема запчастей Bobcat BCA12 - OPERATORS PLATFORM INSTALLATION CONSOLE
FIT
1:1
100%

Артикул

Название

Примечание

Количество

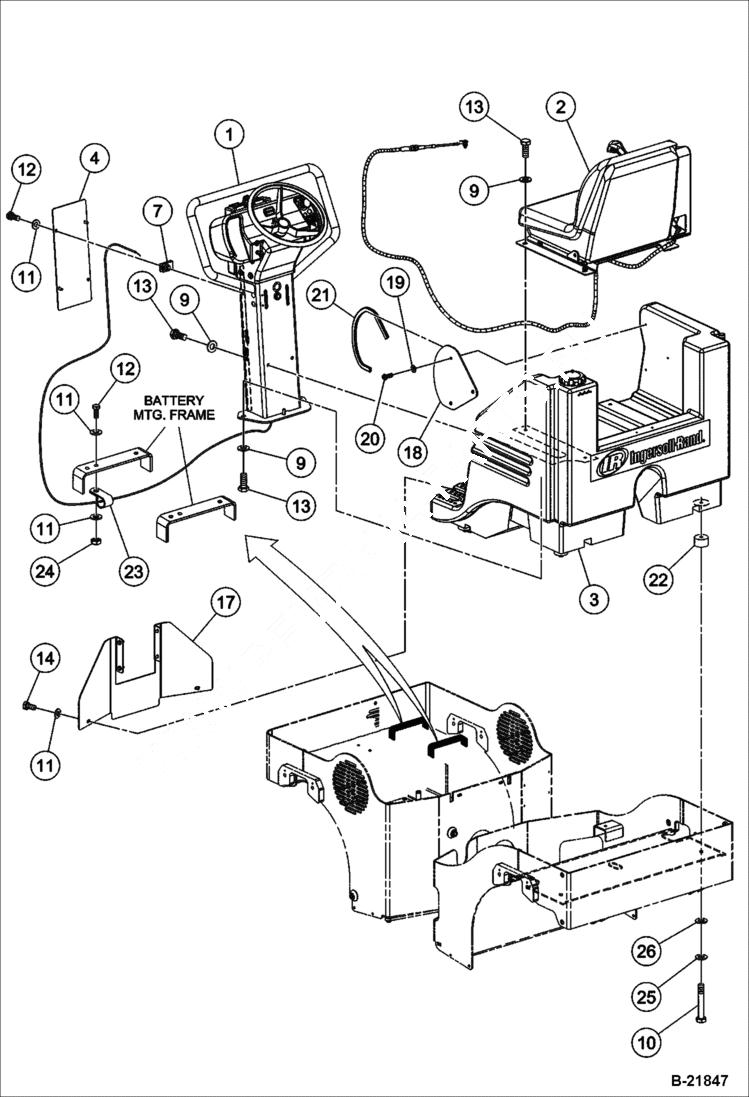
1

Pedestal Assy See Illustration PEDESTAL ASSEMBLY/ B21848

1

Pedestal Assy See Illustration PEDESTAL ASSEMBLY/ B21849 - for pressurized water installation - optional

2

Seat Assy See Illustration SEAT ASSEMBLY/ B21851 STD

2

Seat Assembly See Illustration SEAT ASSEMBLY/ B23303 suspension - optional

3

IR13183645

WATERTANK

3

IR54676226

Cap water tank

3

IR13247572

Tube clear flexible

3

IR13247580

Float Ball

3

IR54494042

PLUG drain

4

IR59214858

Pedestal Cover

7

IR59214650

U-nut

9

IR96714308

WASHER Was IR96741046 - A

10

IR96704317

BOLT

11

IR96712898

WASHER Was IR96741038 - A

12

IR96702824

BOLT

13

IR96702287

BOLT

14

IR96702816

BOLT

17

IR59259168

Pedestal Cover

18

IR59276873

FSR GUARD F-Stop-R

19

IR96704663

WASHER Was IR96741053 - D

20

IR96727987

BOLT

21

IR58926148

Trim

22

IR13167655

SPACER

23

IR95301834

CLAMP

24

IR96704606

NUT

25

IR96711825

WASHER

26

IR59302927

WASHER

Выбрано товаров: 27