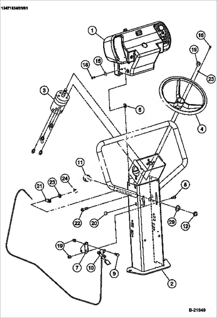
Запчасти Bobcat BCA12 PEDESTAL ASSEMBLY (For Pressurized Water Installation) (Optional) CONSOLE

Схема запчастей Bobcat BCA12 - PEDESTAL ASSEMBLY (For Pressurized Water Installation) (Optional) CONSOLE
FIT
1:1
100%

Артикул

Название

Примечание

Количество

1

Console Assy See Illustration CONSOLE ASSEMBLY/ B23306 - for pressurized water installation - optional

2

IR13166590

PEDESTAL

3

IR54581285

Orbital steering

3

IR13496500

SEAL KIT

4

IR59213405

Steering Wheel

5

IR59214650

U-nut

7

IR59255414

Bracket throttle

8

IR59148569

BOLT

9

IR96702386

BOLT

10

IR59255588

Throttle Cable

11

IR13469952

SWITCH ignition

11

IR58917261

Ignition Key

11

IR13284690

IR KEY TAG

11

IR59126946

Ignition Switch

11

IR58917261

Ignition Key

11

IR13284690

IR KEY TAG

12

IR59126961

Nut ignition switch

15

IR96740204

washer

16

IR96704564

BOLT

18

IR96702824

BOLT

19

IR96704580

LOCKNUT

20

IR59992677

PLASTIC PLUG

21

IR54479886

CONDUIT CLAMP

22

IR59148684

BOLT

23

IR96741053

WASHER

24

IR96704598

LOCKNUT

29

IR59010645

Washer steel

Выбрано товаров: 27