Качественные детали и логистика
Оригинальные и аналоговые запчасти с доставкой по России, Казахстану и Беларуси
©2022 PartSell ООО "Система" ИНН 2463123282 ОГРН 1212400004838
Центральный офис: г. Красноярск, Академика Киренского, д.87, пом.4
Телефон: 8 (800) 777-65-74 Email: zakaz@partsell.ru
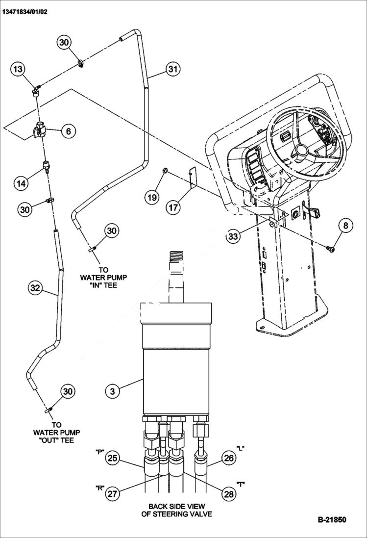
PEDESTAL ASSEMBLY (For Pressurized Water Installation) (Optional)
№
Артикул
Название
Примечание
Количество
3
IR54581285
Orbital steering
IR13496500
SEAL KIT
6
IR58825498
BALL VALVE
8
IR59148569
BOLT
13
IR59118240
Elbow male
14
IR59579607
HOSE Barb
17
IR59259754
PLATE COVER
19
IR96704580
LOCKNUT
25
IR13197645
Hose assembly - 77''
26
IR13197678
Hose assembly - 57''
27
IR13197686
Hose assembly - 39''
28
IR13197637
Hose assembly - 73''
30
IR59363259
HOSE CLAMP
31
IR58754144
HOSE assembly - 44'' - Was IR59964601 - D
32
IR59485078
HOSE assembly - 35''
33
IR54616149
Decal variable water flow
Выбрано товаров: 0